Запчасти Komatsu 2D94-2G ГЕНЕРАТОР ОХЛАЖД-Е И ЭЛЕКТРИКАS

Схема запчастей Komatsu 2D94-2G - ГЕНЕРАТОР ОХЛАЖД-Е И ЭЛЕКТРИКАS
FIT
1:1
100%

Артикул

Название

Примечание

Количество

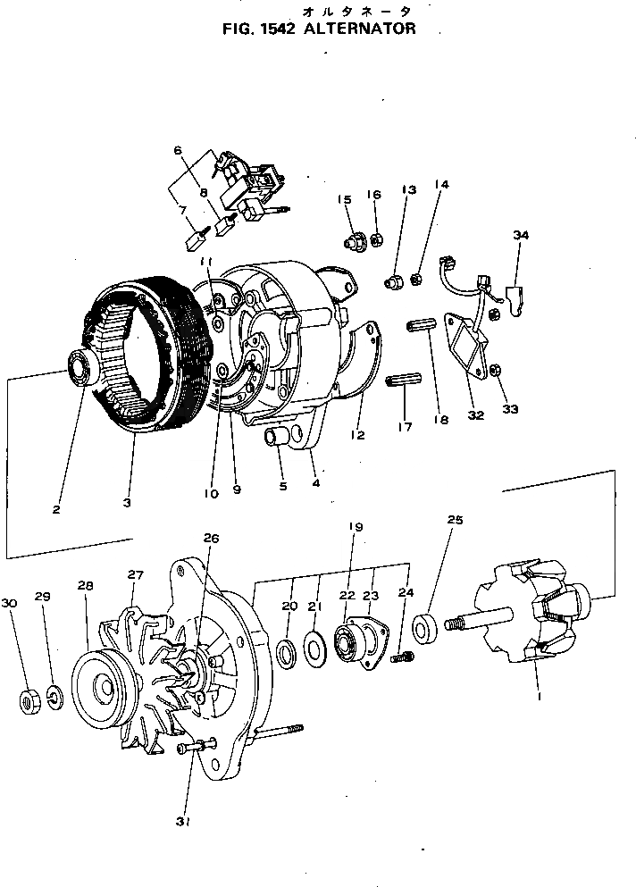
|1

600-821-2330

ALTERNATOR A.

SN: 23000-UP

1шт.

|1

ND021000-7700

ALTERNATOR ASS'Y

SN: 23000-UP

1шт.

1

ND021200-1390

ROTOR ASS'Y

SN: 23000-UP

1шт.

2

ND949100-0350

BEARING

SN: 23000-UP

1шт.

3

ND021100-0880

STATOR ASS'Y

SN: 23000-UP

1шт.

4

ND021501-2740

FRAME

SN: 23000-UP

1шт.

5

ND021541-0320

BUSHING

SN: 23000-UP

1шт.

6

ND021620-1400

BRUSH HOLDER A.

SN: 23000-UP

1шт.

7

ND021660-0130

BRUSH

SN: 23000-UP

2шт.

8

ND949170-0570

SPRING

SN: 23000-UP

2шт.

9

ND021997-1510

PIN

SN: 23000-UP

1шт.

10

ND021605-0820

INSULATOR

SN: 23000-UP

1шт.

11

ND949010-0540

WASHER

SN: 23000-UP

1шт.

12

ND021551-0270

COVER

SN: 23000-UP

1шт.

13

ND021605-0050

BUSHING

SN: 23000-UP

1шт.

14

ND949056-1001

NUT

SN: 23000-UP

1шт.

15

ND021605-0291

BUSHING

SN: 23000-UP

1шт.

16

ND949056-0990

NUT

SN: 23000-UP

1шт.

17

ND949056-1710

NUT

SN: 23000-UP

1шт.

18

ND949055-1720

NUT

SN: 23000-UP

1шт.

19

ND021400-2010

FRAME ASS'Y

SN: 23000-UP

1шт.

20

ND949020-0230

WASHER

SN: 23000-UP

1шт.

21

ND021405-0010

COVER

SN: 23000-UP

1шт.

22

ND949100-0340

BEARING

SN: 23000-UP

1шт.

23

ND021411-0280

RETAINER

SN: 23000-UP

1шт.

24

ND948007-0010

SCREW

SN: 23000-UP

3шт.

25

ND949192-0900

COLLAR

SN: 23000-UP

1шт.

26

ND021045-0040

COLLAR

SN: 23000-UP

1шт.

27

ND021051-0320

FAN

SN: 23000-UP

1шт.

28

ND021041-2100

PULLEY

SN: 23000-UP

1шт.

29

ND90258-14001

WASHER,SPRING

SN: 23000-UP

1шт.

30

ND949050-1080

NUT

SN: 23000-UP

1шт.

31

ND948042-0910

BOLT

SN: 23000-UP

3шт.

32

ND126000-0090

REGULATOR ASS'Y

SN: 23000-UP

1шт.

33

ND949056-0090

NUT

SN: 23000-UP

2шт.

34

ND021751-0310

CLIP

SN: 23000-UP

1шт.

Выбрано товаров: 36