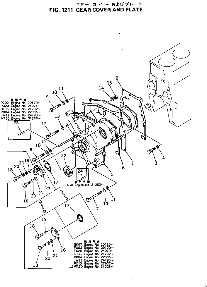
Запчасти Komatsu 2D94-2N ПРИВОД КРЫШКАAND ПЛАСТИНА БЛОК ЦИЛИНДРОВ

Схема запчастей Komatsu 2D94-2N - ПРИВОД КРЫШКАAND ПЛАСТИНА БЛОК ЦИЛИНДРОВ
FIT
1:1
100%

Артикул

Название

Примечание

Количество

1

6142-22-3210

PLATE,FRONT

SN: 27562-UP

1шт.

2

6142-22-3811

GASKET (K2)

SN: 27562-UP

1шт.

3

01010-30820

BOLT

SN: 27562-UP

2шт.

4

01602-00825

WASHER,SPRING

SN: 27562-UP

2шт.

5

6142-52-1101

OIL PUMP ASS'Y,(SEE FIG.1301)

SN: 27562-UP

1шт.

6

6142-22-3820

GASKET (K2)

SN: 27562-UP

1шт.

7

6132-11-6460

BOLT

SN: 27562-UP

4шт.

8

01010-30855

BOLT

SN: 27562-UP

1шт.

9

01010-30860

BOLT

SN: 27562-UP

2шт.

10

01602-00825

WASHER,SPRING

SN: 27562-UP

7шт.

11

01641-20812

WASHER

SN: 27562-UP

7шт.

12

01010-30865

BOLT

SN: 27562-UP

2шт.

14

01602-00825

WASHER,SPRING

SN: 27562-UP

2шт.

15

01580-00806

NUT

SN: 27562-UP

2шт.

16

6144-81-5151

COVER

SN: 27562-UP

1шт.

17

07000-03050

O-RING (K2)

SN: 27562-UP

1шт.

18

01010-30616

BOLT

SN: 27562-UP

2шт.

19

07005-00612

GASKET

SN: 27562-UP

1шт.

20

01602-00619

WASHER,SPRING

SN: 27562-UP

1шт.

21

01641-20608

WASHER

SN: 27562-UP

1шт.

22

6142-22-3530

SEAL, FRONT (K2)

SN: 27562-UP

1шт.

Выбрано товаров: 21