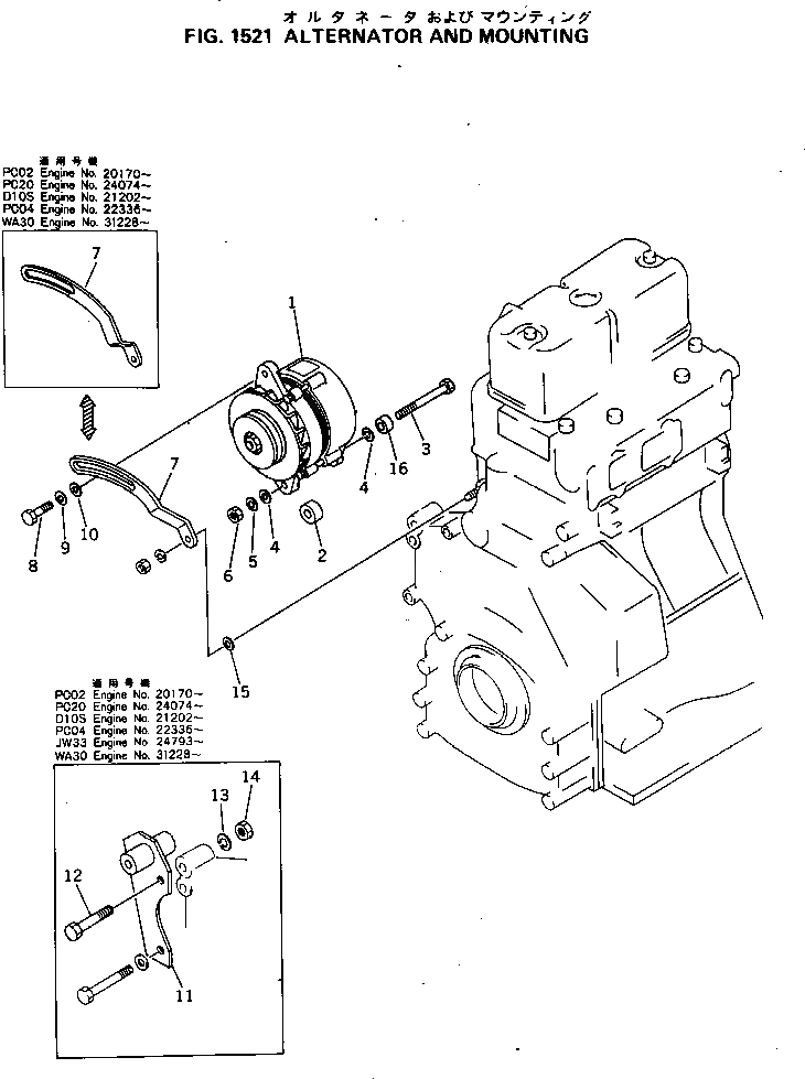
Запчасти Komatsu 2D94-2N ГЕНЕРАТОР И КРЕПЛЕНИЕ ОХЛАЖД-Е И ЭЛЕКТРИКАS

Схема запчастей Komatsu 2D94-2N - ГЕНЕРАТОР И КРЕПЛЕНИЕ ОХЛАЖД-Е И ЭЛЕКТРИКАS
FIT
1:1
100%

Артикул

Название

Примечание

Количество

1

600-821-2330

ALTERNATOR A.,(SEE FIG.1542)

SN: 27562-UP

1шт.

2

6142-82-6550

SPACER

SN: 27562-UP

1шт.

3

6140-11-8160

BOLT

SN: 27562-UP

1шт.

4

01641-20812

WASHER

SN: 27562-UP

2шт.

5

01602-00825

WASHER,SPRING

SN: 27562-UP

1шт.

6

01580-00806

NUT

SN: 27562-UP

1шт.

7

6142-82-6651

PLATE,ADJUST

SN: 27562-UP

1шт.

8

01010-30820

BOLT

SN: 27562-UP

1шт.

9

01602-00825

WASHER,SPRING

SN: 27562-UP

1шт.

10

01643-30823

WASHER

SN: 27562-UP

1шт.

Выбрано товаров: 10