Запчасти Komatsu 2D94-2N - -

Схема запчастей Komatsu 2D94-2N - - -
FIT
1:1
100%

Артикул

Название

Примечание

Количество

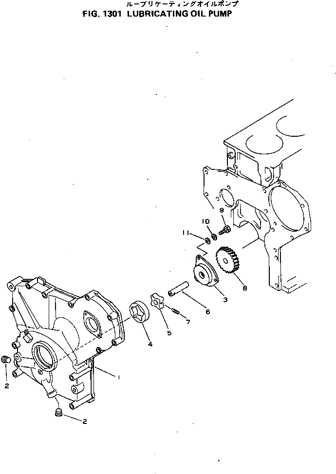
|1

6142-52-1101

SN: 27562-UP

1шт.

1

6142-22-3111

SN: 27562-UP

1шт.

2

07043-50312

SN: 27562-UP

2шт.

3

6142-52-1120

SN: 27562-UP

1шт.

4

6142-52-1310

SN: 27562-UP

1шт.

|5

6142-52-1300

SN: 27562-UP

1шт.

5

0

SN: 27562-UP

1шт.

6

0

SN: 27562-UP

1шт.

7

0

SN: 27562-UP

1шт.

8

6142-52-1430

SN: 27562-UP

1шт.

9

01010-30620

SN: 27562-UP

3шт.

10

01602-00619

SN: 27562-UP

3шт.

11

01641-20608

SN: 27562-UP

3шт.

Выбрано товаров: 13