Запчасти Komatsu 2D94-2N - -

Схема запчастей Komatsu 2D94-2N - - -
FIT
1:1
100%

Артикул

Название

Примечание

Количество

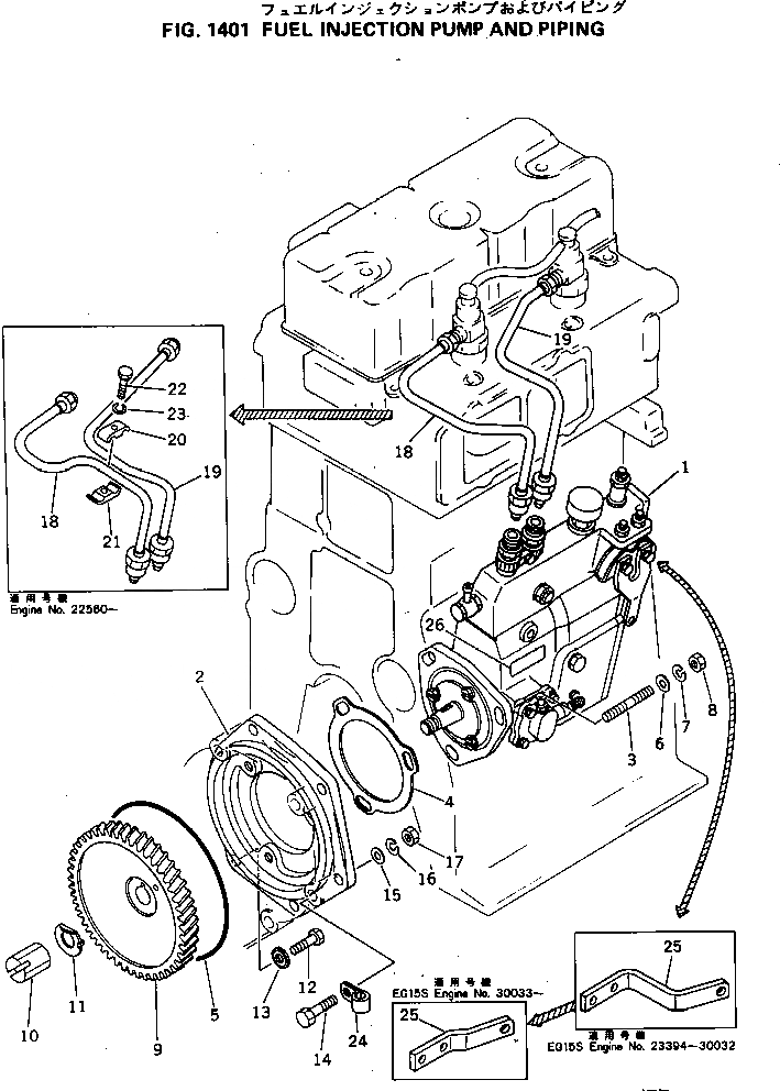
1

6142-72-1170

SN: 27562-UP

1шт.

|2

6142-72-3010

SN: 27562-UP

1шт.

2

0

SN: 27562-UP

1шт.

3

01124-30825

SN: 27562-UP

3шт.

4

6140-71-1160

SN: 27562-UP

1шт.

5

07000-02135

SN: 27562-UP

1шт.

6

01640-20816

SN: .-UP

3шт.

|6

0

SN: 27562-.

3шт.

7

01602-00825

SN: 27562-UP

3шт.

8

01580-00806

SN: 27562-UP

3шт.

9

6142-72-3130

SN: 27562-UP

1шт.

10

6142-72-3150

SN: 27562-UP

1шт.

11

01653-21212

SN: 27562-UP

1шт.

12

6144-71-3170

SN: 27562-UP

1шт.

14

01010-30865

SN: 27562-UP

4шт.

15

01641-20812

SN: 27562-UP

4шт.

16

01602-00825

SN: 27562-UP

4шт.

17

01580-00808

SN: 27562-UP

4шт.

18

6142-72-5110

SN: 27562-UP

1шт.

19

6142-72-5121

SN: 27562-UP

1шт.

|20

6144-71-5720

SN: 30206-UP

1шт.

|20

0

SN: 27562-30205

1шт.

20

6144-71-5730

SN: 30206-UP

1шт.

|20

0

SN: 27562-30205

1шт.

21

6144-71-5740

SN: 30206-UP

1шт.

|21

0

SN: 27562-30205

1шт.

22

6130-71-5750

SN: 27562-UP

1шт.

23

6130-71-5760

SN: 27562-UP

1шт.

Выбрано товаров: 28