Запчасти Komatsu 2D94-2N - -

Схема запчастей Komatsu 2D94-2N - - -
FIT
1:1
100%

Артикул

Название

Примечание

Количество

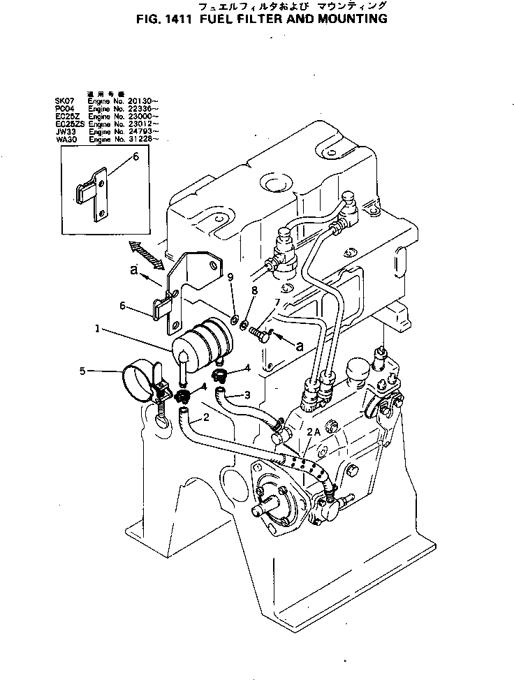
|1

6142-72-6120

SN: 27562-UP

1шт.

1

600-311-6130

SN: 27562-UP

1шт.

2

600-311-6612

SN: 27562-UP

1шт.

3

600-311-6620

SN: 27562-UP

1шт.

4

600-714-1410

SN: 27562-UP

4шт.

5

600-714-1120

SN: 27562-UP

1шт.

6

6142-72-6152

SN: 27562-UP

1шт.

7

01010-30816

SN: 27562-UP

2шт.

8

01602-00825

SN: 27562-UP

2шт.

9

01643-30823

SN: 27562-UP

2шт.

Выбрано товаров: 0