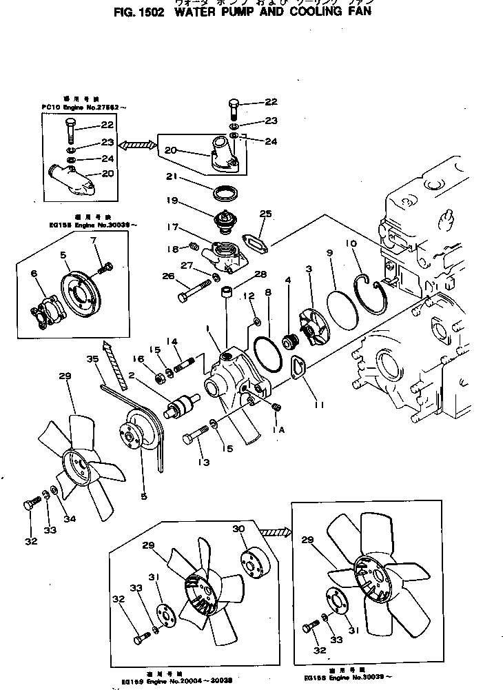
Запчасти Komatsu 2D94-2N - -

Схема запчастей Komatsu 2D94-2N - - -
FIT
1:1
100%

Артикул

Название

Примечание

Количество

|1

6142-62-1600

SN: 30033-UP

1шт.

|1

6144-61-1401

SN: 20000-20000

1шт.

|1

6142-62-1500

SN: 20003-30032

1шт.

1

6144-61-1110

SN: 20003-UP

1шт.

1A

07043-00312

SN: 20170-UP

1шт.

2

6130-62-1310

SN: 20003-UP

1шт.

3

6130-62-1330

SN: 20003-UP

1шт.

4

6130-61-1521

SN: 20003-UP

1шт.

|5

6144-61-3100

SN: 20000-20000

1шт.

5

6142-62-3260

SN: 30033-UP

1шт.

|5

0

SN: 20000-20000

1шт.

|5

6142-62-3250

SN: 20003-30032

1шт.

6

6144-61-3120

SN: 20000-20000

1шт.

7

01010-30620

SN: 20000-20000

4шт.

8

6140-61-1160

SN: 20003-UP

1шт.

9

6130-62-1150

SN: 20003-UP

1шт.

10

6140-61-1170

SN: 20003-UP

1шт.

11

6140-61-1810

SN: 20003-UP

1шт.

12

6140-61-1820

SN: 20003-UP

2шт.

13

01010-30850

SN: 20003-UP

3шт.

14

01124-30860

SN: 20003-UP

1шт.

15

01602-00825

SN: 20003-UP

4шт.

16

01580-00806

SN: 20003-UP

1шт.

17

6144-11-6411

SN: 20374-UP

1шт.

|17

0

SN: 20003-20373

1шт.

18

07043-00312

SN: 20003-UP

1шт.

19

600-421-6120

SN: .-UP

1шт.

|19

0

SN: 20003-.

1шт.

20

6141-11-6420

SN: 20003-UP

1шт.

21

6140-11-6331

SN: 20003-UP

1шт.

22

01010-30835

SN: 20003-UP

2шт.

23

01602-00825

SN: 20003-UP

2шт.

24

01641-20812

SN: 20003-UP

2шт.

25

6140-11-6430

SN: 20003-UP

1шт.

26

01010-30890

SN: 20003-UP

2шт.

27

01602-00825

SN: 20003-UP

2шт.

28

6140-11-6442

SN: 20003-UP

1шт.

29

600-613-0301

SN: 30033-UP

1шт.

|29

600-613-0300

SN: 20003-30032

1шт.

|29

600-623-0390

SN: 20000-20000

1шт.

|29

600-615-0310

SN: 20000-20000

1шт.

30

6142-65-3310

SN: 20000-20000

1шт.

31

6141-61-3250

SN: 20000-20000

1шт.

|31

6140-65-3410

SN: 20000-20000

1шт.

32

01010-50820

SN: 30033-UP

4шт.

|32

01010-50620

SN: 20003-30032

4шт.

|32

01010-50840

SN: 20000-20000

4шт.

|32

01010-50650

SN: 20000-20000

4шт.

33

01602-00825

SN: 30033-UP

4шт.

|33

01602-00619

SN: 20003-30032

4шт.

34

01641-20812

SN: 30033-UP

4шт.

|34

01641-20608

SN: 20003-30032

4шт.

35

6142-82-2630

SN: 20003-UP

1шт.

Выбрано товаров: 53