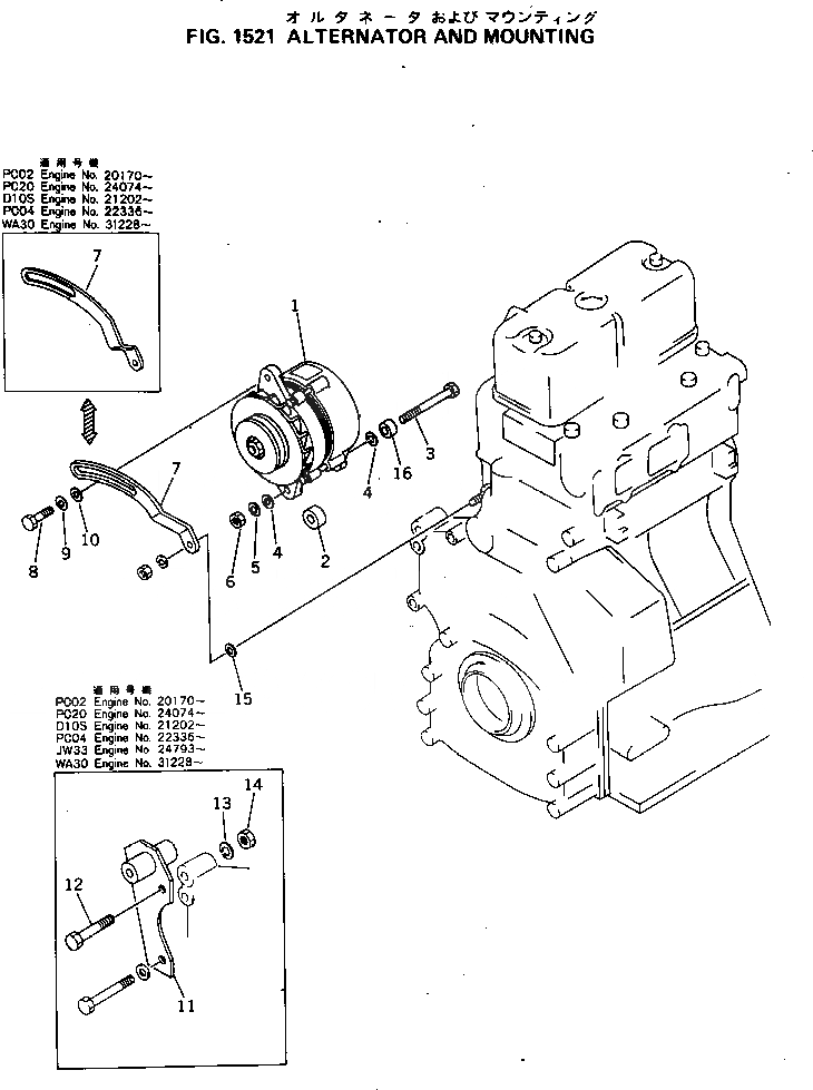
Запчасти Komatsu 2D94-2N - -

Схема запчастей Komatsu 2D94-2N - - -
FIT
1:1
100%

Артикул

Название

Примечание

Количество

1

600-821-2330

SN: 22336-UP

1шт.

3

6140-11-8160

SN: 22336-UP

1шт.

4

01641-20812

SN: 22336-UP

2шт.

5

01602-00825

SN: 22336-UP

1шт.

6

01580-00806

SN: 22336-UP

1шт.

7

6142-82-6640

SN: 22336-UP

1шт.

8

01010-30820

SN: 22336-UP

1шт.

9

01602-00825

SN: 22336-UP

1шт.

11

6142-82-6510

SN: 22336-UP

1шт.

12

01010-30865

SN: 22336-UP

2шт.

13

01602-00825

SN: 22336-UP

2шт.

14

01580-00806

SN: 22336-UP

2шт.

Выбрано товаров: 12