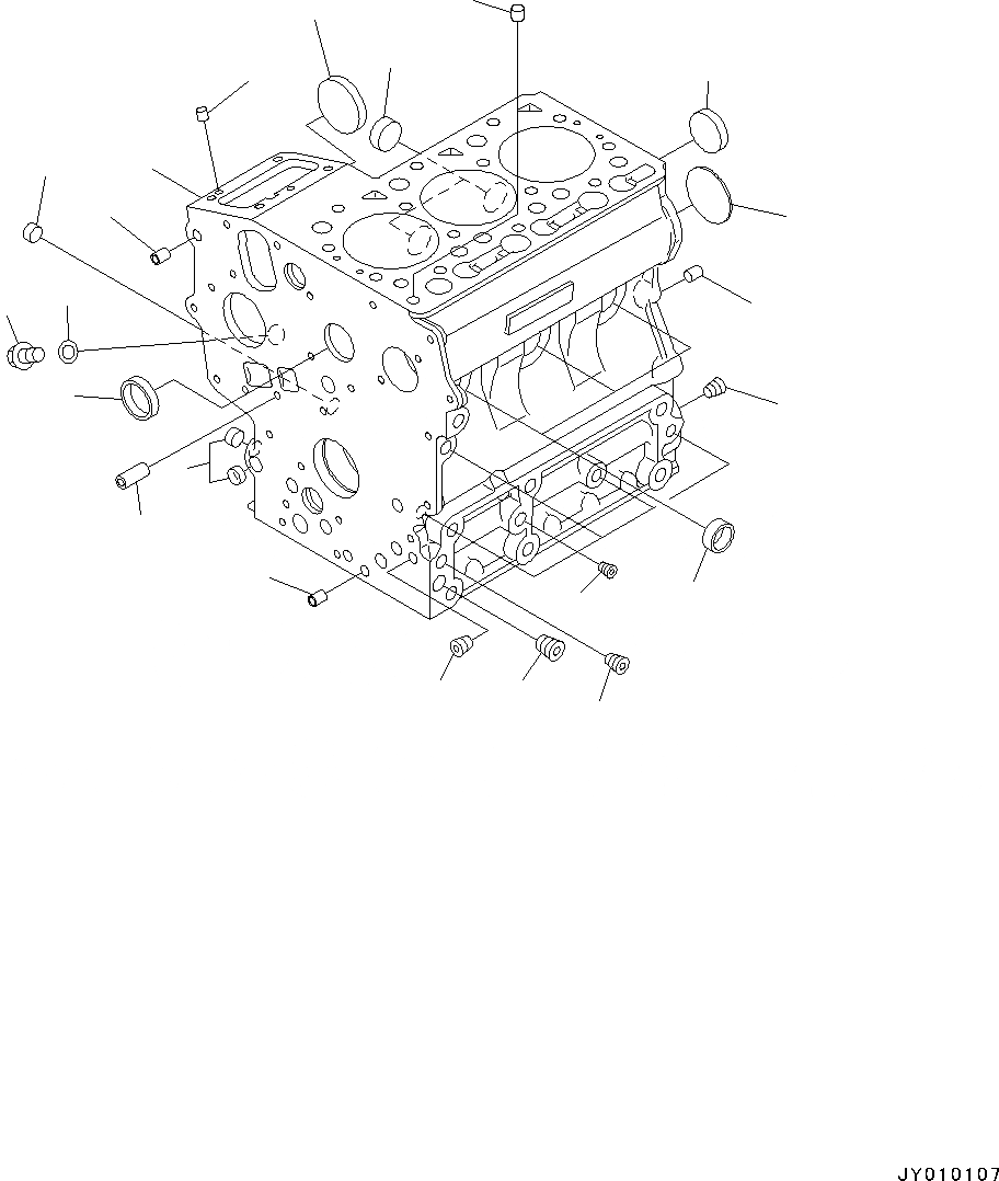
Запчасти Komatsu 3D67E-2A ДВИГАТЕЛЬ, GAUGE ЦИЛИНДР (№8A7-) ДВИГАТЕЛЬ, ДВОЙНОЙ ЭЛЕМЕНТ ТИП

Схема запчастей Komatsu 3D67E-2A - ДВИГАТЕЛЬ, GAUGE ЦИЛИНДР (№8A7-) ДВИГАТЕЛЬ, ДВОЙНОЙ ЭЛЕМЕНТ ТИП
2
4
6
7
12
10
11
12
13
14
15
16
3
5
6
6
8
4
2
9
3
1
FIT
1:1
100%

Артикул

Название

Примечание

Количество

1

KT1E051-0101-8

Cylinder Block Assembly

SN: 8A0357-UP

1шт.

2

KT16851-9626-0

Cap

SN: 8A0357-UP

3шт.

3

KT16851-9627-0

Cap

SN: 8A0357-UP

5шт.

4

KT15451-9627-0

Cap

SN: 8A0357-UP

2шт.

5

KT15261-9601-0

Plug

SN: 8A0357-UP

5шт.

6

KT15521-9602-0

Plug

SN: 8A0357-UP

3шт.

7

KT15521-9603-0

Plug

SN: 8A0357-UP

1шт.

8

KT15261-9616-0

Plug, Expansion

SN: 8A0357-UP

1шт.

9

KT05012-00508

Pin

SN: 8A0357-UP

2шт.

10

KT05012-00814

Pin

SN: 8A0357-UP

2шт.

11

KT15221-3365-0

Pin

SN: 8A0357-UP

1шт.

12

KT15231-3396-0

Pin

SN: 8A0357-UP

2шт.

13

KT17331-5919-0

Pin

SN: 8A0357-UP

2шт.

14

KT16851-1621-2

Cover

SN: 8A0357-UP

1шт.

15

KT06311-55020

Plug

SN: 8A0357-UP

1шт.

16

KT04717-01320

Gasket

SN: 8A0357-UP

1шт.

Выбрано товаров: 16