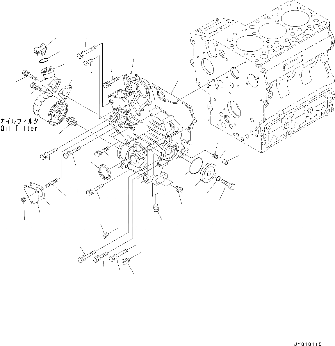
Запчасти Komatsu 3D67E-2A ДВИГАТЕЛЬ, ОДИНОЧН. ЭЛЕМЕНТ ТИП, КОРПУС ШЕСТЕРЕНН. ПЕРЕДАЧИ (№8A7-) ДВИГАТЕЛЬ, ОДИНОЧН. ЭЛЕМЕНТ ТИП

Схема запчастей Komatsu 3D67E-2A - ДВИГАТЕЛЬ, ОДИНОЧН. ЭЛЕМЕНТ ТИП, КОРПУС ШЕСТЕРЕНН. ПЕРЕДАЧИ (№8A7-) ДВИГАТЕЛЬ, ОДИНОЧН. ЭЛЕМЕНТ ТИП
1
2
4
5
6
7
8
9
10
11
12
13
14
24
25
26
27
28
29
30
16
18
19
20
21
22
14
2
2
15
23
2
15
17
3
FIT
1:1
100%

Артикул

Название

Примечание

Количество

1

KT17529-0402-5

Case Assembly

SN: 8A0357-UP

1шт.

2

KT15521-9603-0

Plug

SN: 8A0357-UP

8шт.

3

KT15841-5628-0

Pin

SN: 8A0357-UP

1шт.

4

KT1G639-3288-0

Cover

SN: 8A0357-UP

1шт.

5

KT16259-3290-0

Bolt

SN: 8A0357-UP

1шт.

6

KT04814-50600

O-ring

SN: 8A0357-UP

1шт.

7

KT04814-00150

O-ring

SN: 8A0357-UP

1шт.

8

KT15241-3229-0

Joint

SN: 8A0357-UP

1шт.

9

KT16851-3695-0

Spring

SN: 8A0357-UP

1шт.

10

KT15841-3693-0

Seat, Valve

SN: 8A0357-UP

1шт.

11

KT07715-03211

Ball

SN: 8A0357-UP

1шт.

12

KT16871-0413-0

Gasket

SN: 8A0357-UP

1шт.

13

KT01023-50618

Bolt

SN: 8A0357-UP

1шт.

14

KT01023-60650

Bolt

SN: 8A0357-UP

7шт.

15

KT15841-9101-0

Bolt

SN: 8A0357-UP

3шт.

16

KT01023-50660

Bolt

SN: 8A0357-UP

1шт.

17

KT01023-60670

Bolt

SN: 8A0357-UP

1шт.

18

KT01023-50680

Bolt

SN: 8A0357-UP

2шт.

19

KT17563-9101-0

Bolt

SN: 8A0357-UP

1шт.

20

KT15877-0414-0

Seal, Oil

SN: 8A0357-UP

1шт.

21

KT19461-8334-0

Cover

SN: 8A0357-UP

1шт.

22

KT19461-8813-2

Gasket

SN: 8A0357-UP

1шт.

23

KT15221-8821-0

Stud

SN: 8A0357-UP

3шт.

24

KT02751-50060

Nut

SN: 8A0357-UP

3шт.

25

KT1G386-3314-0

Plug

SN: 8A0357-UP

1шт.

26

KT04817-50300

O-ring

SN: 8A0357-UP

1шт.

27

KT19090-1131-0

Flange

SN: 8A0357-UP

1шт.

28

KT19483-3312-3

Packing

SN: 8A0357-UP

1шт.

29

KT01023-60650

Bolt

SN: 8A0357-UP

2шт.

30

KT01023-50618

Bolt

SN: 8A0357-UP

1шт.

Выбрано товаров: 30