Запчасти Komatsu 3D68E-3B БЛОК ЦИЛИНДРОВ БЛОК ЦИЛИНДРОВ

Схема запчастей Komatsu 3D68E-3B - БЛОК ЦИЛИНДРОВ БЛОК ЦИЛИНДРОВ
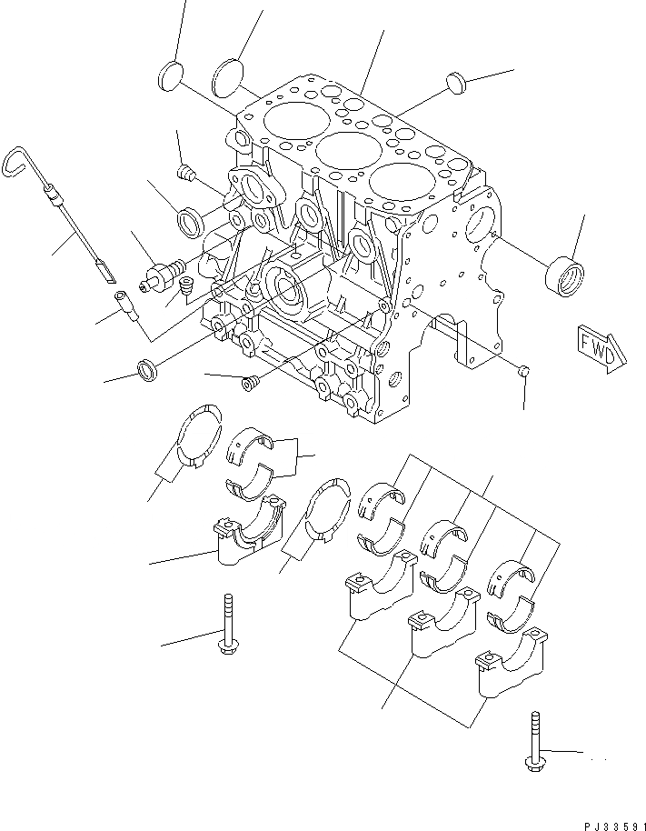
1
1
1
2
3
4
5
5
6
7
7
8
8
9
9
10
10
11
11
12
13
14
FIT
1:1
100%

Артикул

Название

Примечание

Количество

1

YM719265-01560

CYLINDER BLOCK ASS'Y

SN: 00101-UP

1шт.

2

YM27241-100000

PLUG

SN: 00101-UP

2шт.

3

YM119260-02410

BUSHING

SN: 00101-UP

1шт.

4

YM27221-060100

PLUG

SN: 00101-UP

1шт.

5

YM27241-250000

PLUG

SN: 00101-UP

4шт.

6

YM27231-400000

PLUG

SN: 00101-UP

1шт.

7

YM27241-300000

PLUG

SN: 00101-UP

2шт.

8

YM124060-01050

PLUG

SN: 00101-UP

2шт.

9

YM719260-02800

MAIN METAL ASS'Y

SN: 00101-UP

4шт.

9

YM719260-02870

MAIN METAL ASS'Y,0.25MM (US)

SN: 00101-UP

4шт.

10

YM719260-02930

THRUST METAL A.

SN: 00101-UP

2шт.

11

YM119260-02020

BOLT

SN: 00101-UP

8шт.

12

YM121550-49111

JOINT,DRAIN

SN: 00101-UP

1шт.

13

YM121520-34810

GUIDE,GAUGE

SN: 00101-UP

1шт.

14

YM129132-34800

GAUGE,OIL LEVEL

SN: 00101-UP

1шт.

Выбрано товаров: 15