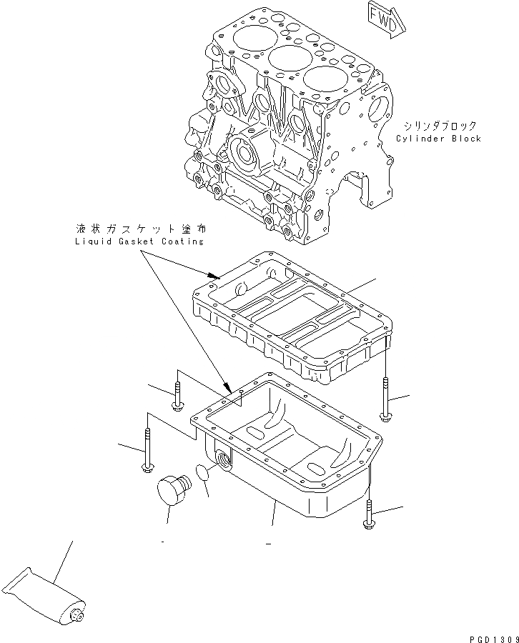
Запчасти Komatsu 3D68E-3H МАСЛЯНЫЙ ПОДДОН ДВИГАТЕЛЬ

Схема запчастей Komatsu 3D68E-3H - МАСЛЯНЫЙ ПОДДОН ДВИГАТЕЛЬ
1
2
3
4
5
5
6
6
7
FIT
1:1
100%

Артикул

Название

Примечание

Количество

1

YM119454-01721

SPACER

SN: 03402-UP

1шт.

2

YM119233-01770

OIL PAN ASS'Y

SN: 03402-UP

1шт.

3

YM121400-01640

PLUG,DRAIN

SN: 03402-UP

1шт.

4

YM24311-000180

O-RING (KIT)

SN: 03402-UP

1шт.

5

YM26106-060102

BOLT

SN: 03402-UP

3шт.

6

YM26106-060452

BOLT

SN: 03402-UP

20шт.

7

YM977770-01212

LIQUID GASKET

SN: 03402-UP

-2шт.

Выбрано товаров: 7