Запчасти Komatsu 3D68E-3K ТОПЛ. НАСОС И ТРУБЫ(№-) ДВИГАТЕЛЬ

Схема запчастей Komatsu 3D68E-3K - ТОПЛ. НАСОС И ТРУБЫ(№-) ДВИГАТЕЛЬ
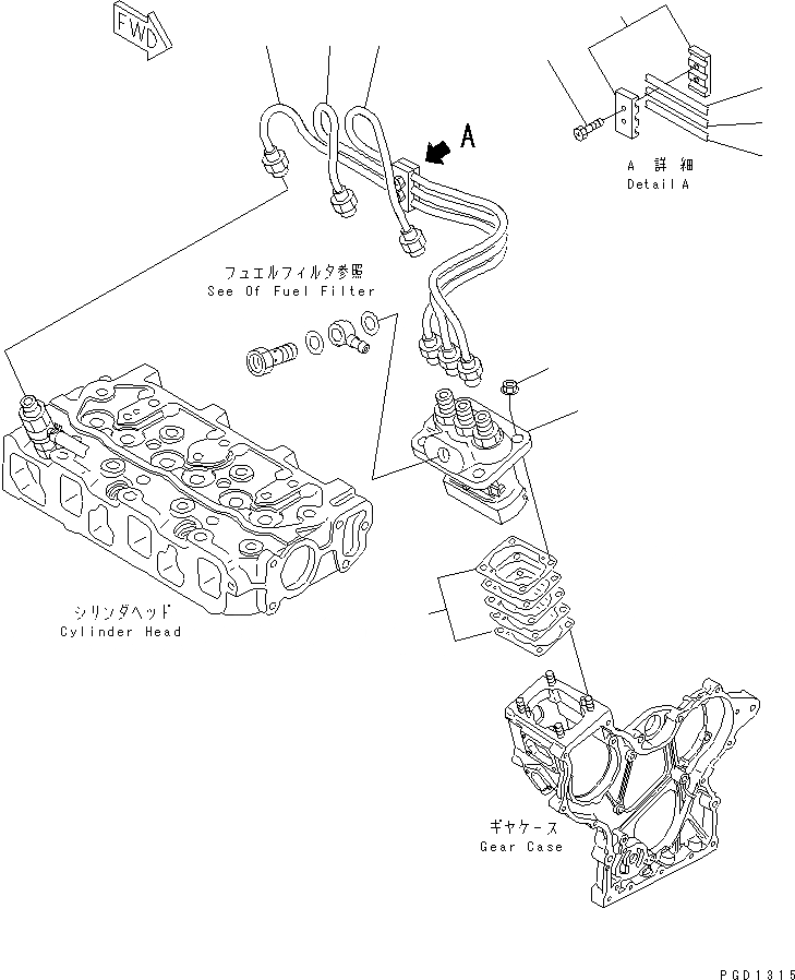
1
2
3
4
5
6
6
7
7
8
8
FIT
1:1
100%

Артикул

Название

Примечание

Количество

1

YM119623-01950

SHIM ASS'Y

SN: 30001-UP

1шт.

|1

0

SHIM¤ T=0.2

SN: 30001-UP

1шт.

|1

0

SHIM¤ T=0.5

SN: 30001-UP

1шт.

|1

0

SHIM¤ T=0.6

SN: 30001-UP

1шт.

|1

0

SHIM¤ T=0.7

SN: 30001-UP

1шт.

|1

0

SHIM¤ T=0.8

SN: 30001-UP

1шт.

|1

0

SHIM¤ T=1.0

SN: 30001-UP

1шт.

2

YM194990-22050

NUT

SN: 30001-UP

4шт.

3

YM719265-51100

INJECTION PUMP ASS'Y,(SEE FIG.A4010-B0A2)

SN: 30001-UP

1шт.

4

YM129150-59120

CLAMP ASS'Y

SN: 30001-UP

1шт.

5

YM129150-59131

BOLT

SN: 30001-UP

2шт.

6

YM119209-59810

PIPE,INJECTION¤ NO.1

SN: 30001-UP

1шт.

7

YM119209-59820

PIPE,INJECTION¤ NO.2

SN: 30001-UP

1шт.

8

YM119209-59830

PIPE,INJECTION¤ NO.3

SN: 30001-UP

1шт.

Выбрано товаров: 14