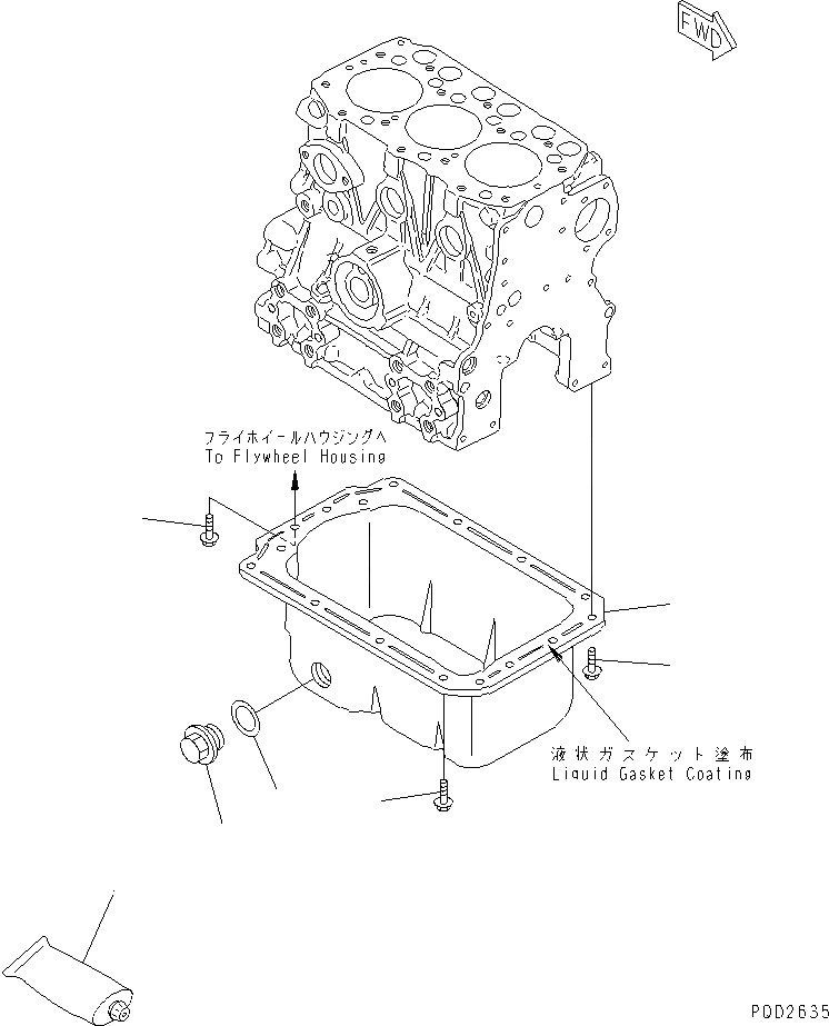
Запчасти Komatsu 3D68E-N3A МАСЛЯНЫЙ ПОДДОН ДВИГАТЕЛЬ

Схема запчастей Komatsu 3D68E-N3A - МАСЛЯНЫЙ ПОДДОН ДВИГАТЕЛЬ
1
2
3
4
5
6
7
FIT
1:1
100%

Артикул

Название

Примечание

Количество

1

YM26106-060102

BOLT

SN: N00101-UP

2шт.

2

YM119275-01770

PAN,OIL

SN: N00101-UP

1шт.

3

YM119640-01640

PLUG

SN: N00101-UP

1шт.

4

YM22190-220002

SEAL,RING

SN: N00101-UP

1шт.

5

YM26106-060122

BOLT

SN: N00101-UP

4шт.

6

YM26106-060102

BOLT

SN: N00101-UP

10шт.

7

YM977770-01212

LIQUID GASKET

SN: N00101-UP

-2шт.

Выбрано товаров: 7