Запчасти Komatsu 3D68E-N3A БЛОК ЦИЛИНДРОВ ДВИГАТЕЛЬ

Схема запчастей Komatsu 3D68E-N3A - БЛОК ЦИЛИНДРОВ ДВИГАТЕЛЬ
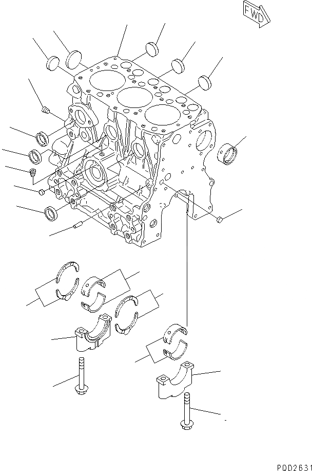
1
1
1
2
2
3
4
5
5
6
6
6
7
7
7
7
8
8
9
9
10
10
11
FIT
1:1
100%

Артикул

Название

Примечание

Количество

1

YM729266-01560

CYLINDER BLOCK A.

SN: N00101-UP

1шт.

2

YM124060-01050

PLUG

SN: N00101-UP

2шт.

3

YM27221-060100

PLUG

SN: N00101-UP

1шт.

4

YM27231-400000

PLUG

SN: N00101-UP

1шт.

5

YM27241-100000

PLUG

SN: N00101-UP

2шт.

6

YM24241-250000

PLUG

SN: N00101-UP

3шт.

7

YM27241-300000

PLUG

SN: N00101-UP

4шт.

8

YM119260-02020

BOLT

SN: N00101-UP

8шт.

9

YM719260-02800

MAIN METAL ASS'Y (STD)

SN: N00101-UP

4шт.

|9

YM119260-02870

MAIN METAL ASS'Y,0.25MM (US)

SN: N00101-UP

4шт.

10

YM719260-02930

THRUST METAL A.

SN: N00101-UP

2шт.

11

YM119266-02410

BUSHING

SN: N00101-UP

1шт.

Выбрано товаров: 0