Запчасти Komatsu 3D72-1 ПЕРЕДН. COVER БЛОК ЦИЛИНДРОВ

Схема запчастей Komatsu 3D72-1 - ПЕРЕДН. COVER БЛОК ЦИЛИНДРОВ
FIT
1:1
100%

Артикул

Название

Примечание

Количество

|$0

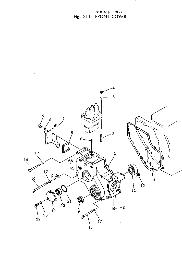
YM729335-01612

GEAR CASE ASS'Y

SN: 01121-UP

1шт.

|$1

0

GEAR CASE ASS'Y

SN: 01001-01120

1шт.

1

0

CASE

SN: 01121-UP

1шт.

1

0

CASE

SN: 01001-01120

1шт.

2

YM124060-01050

PLUG

SN: 01001-UP

2шт.

3

YM121450-01560

STUD

SN: 01001-UP

4шт.

4

YM26716-080002

NUT

SN: 01001-UP

4шт.

5

YM22217-080000

WASHER

SN: 01001-UP

4шт.

6

YM22351-040010

PIN

SN: 01001-UP

2шт.

6A

YM121085-01890

PLUG

SN: 01121-UP

1шт.

7

YM171051-01550

COVER

SN: 01001-UP

1шт.

8

YM121450-01531

PACKING

SN: 01001-UP

1шт.

9

YM26116-060142

BOLT

SN: 01001-UP

4шт.

10

YM22217-060000

WASHER

SN: 01001-UP

4шт.

11

YM24101-063050

BEARING,BALL

SN: 01001-UP

1шт.

12

YM26581-080102

SCREW

SN: 01001-UP

1шт.

13

YM121575-01510

PACKING

SN: 01001-UP

1шт.

14

YM26116-080752

BOLT

SN: 01001-UP

2шт.

15

YM26116-080852

BOLT

SN: 01001-UP

7шт.

16

YM26116-081152

BOLT

SN: 01001-UP

3шт.

17

YM22117-080000

WASHER

SN: 01001-UP

12шт.

18

YM121450-01801

SEAL, FRONT

SN: 01001-UP

1шт.

19

YM129301-02801

HOUSING

SN: 01001-UP

1шт.

20

YM24101-062024

BEARING,BALL

SN: 01001-UP

1шт.

21

YM24341-000460

O-RING

SN: 01001-UP

1шт.

22

YM26116-080162

BOLT

SN: 01001-UP

3шт.

23

YM23414-080000

GASKET

SN: 01001-UP

3шт.

Выбрано товаров: 27