Запчасти Komatsu 3D72-1 КОЛЕНВАЛ БЛОК ЦИЛИНДРОВ

Схема запчастей Komatsu 3D72-1 - КОЛЕНВАЛ БЛОК ЦИЛИНДРОВ
FIT
1:1
100%

Артикул

Название

Примечание

Количество

|$0

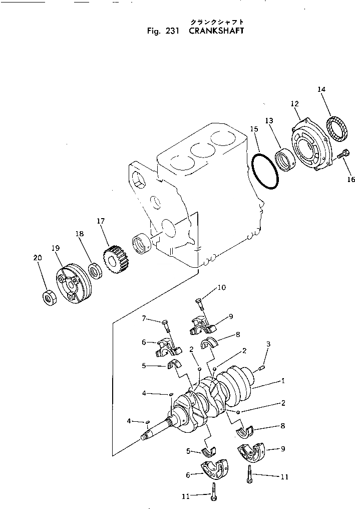
YM721000-21701

CRANKSHAFT ASS'Y

SN: 01258-UP

1шт.

|$1

0

CRANKSHAFT ASS'Y

SN: 01001-01257

1шт.

|$$3

(YM721000-21701,YM121005-21651,

-1шт.

|$$4

YM121000-21591)

-1шт.

1

0

CRANKSHAFT

SN: 01258-UP

1шт.

1

0

CRANKSHAFT

SN: 01001-01257

1шт.

2

YM24190-080001

BALL

SN: 01001-UP

3шт.

3

YM22312-080160

PIN

SN: 01001-UP

1шт.

4

YM22512-070180

KEY

SN: 01001-UP

2шт.

|$9

YM721450-02621

MAIN METAL A.,NO.1

SN: 01001-UP

1шт.

5

YM121450-02170

MAIN METAL ASS'Y,NO.1

SN: 01001-UP

1шт.

6

0

CAP ASS'Y

SN: 01001-UP

1шт.

7

YM121450-02071

BOLT

SN: 01001-UP

2шт.

|$13

YM721450-02611

MAIN METAL A.,NO.2

SN: 01001-UP

1шт.

8

YM121450-02160

MAIN METAL ASS'Y,NO.2

SN: 01001-UP

1шт.

9

0

CAP ASS'Y

SN: 01001-UP

1шт.

10

YM121450-02071

BOLT

SN: 01001-UP

2шт.

11

YM105225-02300

BOLT

SN: 01001-UP

2шт.

|$18

YM721450-02500

COVER ASS'Y

SN: 01001-UP

1шт.

12

0

COVER

SN: 01001-UP

1шт.

13

YM121450-02110

METAL,MAIN, REAR

SN: 01001-UP

1шт.

14

YM124085-02220

SEAL, REAR

SN: 01001-UP

1шт.

15

YM105225-02020

O-RING

SN: 01001-UP

1шт.

16

YM26013-080202

BOLT

SN: 01001-UP

6шт.

17

YM129350-21200

GEAR

SN: 01001-UP

1шт.

18

YM121450-21540

NUT

SN: 01001-UP

1шт.

19

YM121005-21651

PULLEY,CRANK

SN: 01258-UP

1шт.

19

0

PULLEY,CRANK

SN: 01001-01257

1шт.

|$$29

(YM121005-21651,YM721000-21701,

-1шт.

|$$30

YM121000-21591)

-1шт.

20

YM26776-180002

NUT

SN: 01001-UP

1шт.

Выбрано товаров: 31