Запчасти Komatsu 3D72-1 СМАЗЫВ. НАСОС И PIPE СИСТЕМА СМАЗКИ МАСЛ. СИСТЕМА

Схема запчастей Komatsu 3D72-1 - СМАЗЫВ. НАСОС И PIPE СИСТЕМА СМАЗКИ МАСЛ. СИСТЕМА
FIT
1:1
100%

Артикул

Название

Примечание

Количество

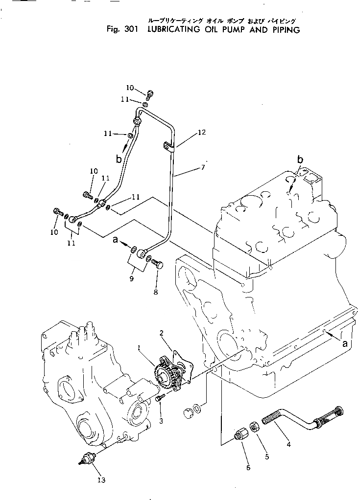
1

YM129350-32090

OIL PUMP ASS'Y

SN: 01001-UP

1шт.

2

YM121450-32021

PACKING

SN: 01001-UP

1шт.

3

YM26012-060222

BOLT

SN: 01001-UP

3шт.

4

YM121450-35090

PIPE

SN: 01001-UP

1шт.

5

YM124450-35070

NUT

SN: 01001-UP

1шт.

6

YM121150-35100

NIPPLE

SN: 01001-UP

1шт.

7

YM121450-39201

TUBE

SN: 01001-UP

1шт.

8

YM124160-39140

BOLT,JOINT

SN: 01001-UP

1шт.

9

YM23414-100000

GASKET,RING

SN: 01001-UP

2шт.

10

YM124550-59820

BOLT,JOINT

SN: 01001-UP

3шт.

11

YM23414-080000

GASKET

SN: 01001-UP

6шт.

12

YM124450-39240

CLIP

SN: 01001-UP

1шт.

13

YM124160-39450

SWITCH,OIL PRESSURE

SN: 01001-UP

1шт.

Выбрано товаров: 13