Запчасти Komatsu 3D72-2C ГОЛОВКА ЦИЛИНДРОВ COVER ГОЛОВКА ЦИЛИНДРОВ

Схема запчастей Komatsu 3D72-2C - ГОЛОВКА ЦИЛИНДРОВ COVER ГОЛОВКА ЦИЛИНДРОВ
FIT
1:1
100%

Артикул

Название

Примечание

Количество

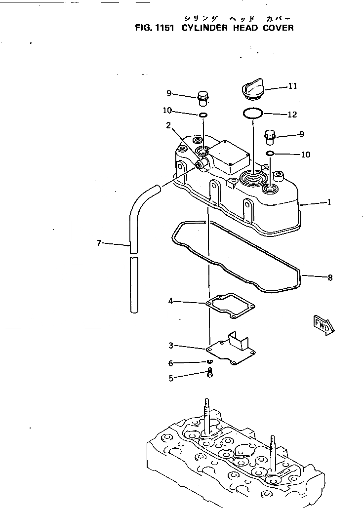
1

YM719640-11520

COVER,CYLINDER HEAD

SN: 01210-UP

1шт.

2

YM119620-11390

JOINT

SN: 01210-UP

1шт.

3

YM119620-03020

BAFFLE

SN: 01210-UP

1шт.

4

YM119620-03030

GASKET

SN: 01210-UP

1шт.

5

YM26557-050102

SCREW

SN: 01210-UP

4шт.

6

YM22217-050000

WASHER,SPRING

SN: 01210-UP

4шт.

7

YM23065-120500

PIPE

SN: 01210-UP

1шт.

8

YM119620-11310

GASKET (KIT)

SN: 01210-UP

1шт.

9

YM129150-11360

BOLT

SN: 01210-UP

2шт.

10

YM24311-000120

O-RING (KIT)

SN: 01210-UP

2шт.

11

YM124160-01750

CAP

SN: 01210-UP

1шт.

12

YM121420-01760

O-RING

SN: 01210-UP

1шт.

Выбрано товаров: 12