Запчасти Komatsu 3D72-2G СТОП МОТОР ДВИГАТЕЛЯ(№7-) ТОПЛИВН. СИСТЕМА

Схема запчастей Komatsu 3D72-2G - СТОП МОТОР ДВИГАТЕЛЯ(№7-) ТОПЛИВН. СИСТЕМА
FIT
1:1
100%

Артикул

Название

Примечание

Количество

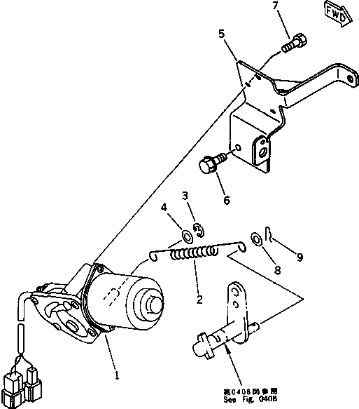
1

YM119230-66791

MOTOR ASS'Y

SN: 03753-UP

1шт.

2

YM129555-66820

SPRING

SN: 03753-UP

1шт.

3

YM129566-66880

RING,SNAP

SN: 03753-UP

1шт.

4

YM129566-66890

WASHER

SN: 03753-UP

1шт.

5

YM119640-66810

BRACKET

SN: 03753-UP

1шт.

6

YM26106-080162

BOLT

SN: 03753-UP

3шт.

7

YM26116-050122

BOLT

SN: 03753-UP

3шт.

8

YM22117-080000

WASHER

SN: 03753-UP

1шт.

9

YM22360-080000

PIN,SNAP

SN: 03753-UP

1шт.

Выбрано товаров: 9