Запчасти Komatsu 3D74E-3B ВЫПУСКНОЙ КОЛЛЕКТОР И ГЛУШИТЕЛЬ ГОЛОВКА ЦИЛИНДРОВ

Схема запчастей Komatsu 3D74E-3B - ВЫПУСКНОЙ КОЛЛЕКТОР И ГЛУШИТЕЛЬ ГОЛОВКА ЦИЛИНДРОВ
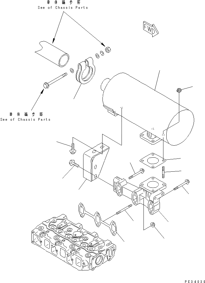
1
2
3
4
5
5
6
7
8
9
10
11
12
12
FIT
1:1
100%

Артикул

Название

Примечание

Количество

1

YM119631-13101

MANIFOLD,EXHAUST

SN: 00101-UP

1шт.

2

YM119620-13110

GASKET (KIT)

SN: 00101-UP

1шт.

3

YM26216-080552

STUD

SN: 00101-UP

2шт.

4

YM194990-22050

NUT

SN: 00101-UP

2шт.

5

YM26106-080402

BOLT

SN: 00101-UP

4шт.

6

YM119635-13510

MUFFLER

SN: 00101-UP

1шт.

7

YM124664-13580

CLAMP

SN: 00101-UP

1шт.

8

YM124701-11911

GASKET (KIT)

SN: 00101-UP

1шт.

9

YM26216-080222

STUD

SN: 00101-UP

4шт.

10

YM194990-22050

NUT

SN: 00101-UP

4шт.

11

YM119631-13650

STAY

SN: 00101-UP

1шт.

12

YM26014-080202

BOLT

SN: 00101-UP

4шт.

Выбрано товаров: 12