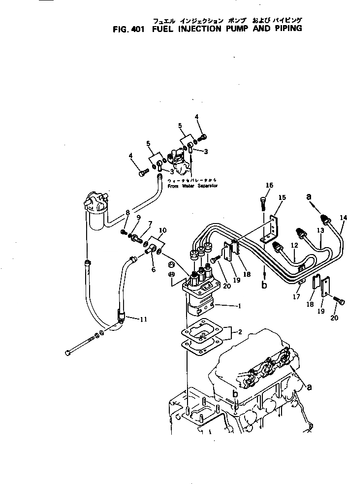
Запчасти Komatsu 3D75-1A ТОПЛ. НАСОС И ТРУБЫ ТОПЛИВН. СИСТЕМА

Схема запчастей Komatsu 3D75-1A - ТОПЛ. НАСОС И ТРУБЫ ТОПЛИВН. СИСТЕМА
FIT
1:1
100%

Артикул

Название

Примечание

Количество

1

YM771056-51100

INJECTION PUMP A.,(SEE FIG.451)

SN: 01001-UP

1шт.

2

YM121450-01951

SHIM ASS'Y

SN: 01001-UP

1шт.

3

YM104264-59030

JOINT

SN: 01001-UP

2шт.

4

YM105582-59150

BOLT

SN: 01001-UP

2шт.

5

YM23414-080012

GASKET

SN: 01001-UP

4шт.

|6

YM103854-59191

BOLT ASS'Y

SN: 01001-UP

1шт.

6

YM101304-59020

JOINT

SN: 01001-UP

1шт.

7

YM103854-59201

BOLT

SN: 01001-UP

1шт.

8

YM124060-59380

PLUG

SN: 01001-UP

1шт.

9

YM43400-500390

WASHER

SN: 01001-UP

1шт.

10

YM104200-59170

GASKET

SN: 01001-UP

2шт.

11

YM105430-67110

CLAMP

SN: 01001-UP

1шт.

12

YM171051-59830

PIPE,INJECTION¤ NO.1

SN: 01001-UP

1шт.

13

YM171051-59820

PIPE,INJECTION¤ NO.2

SN: 01001-UP

1шт.

14

YM171051-59810

PIPE,INJECTION¤ NO.3

SN: 01001-UP

1шт.

15

YM121450-59850

BRACKET

SN: 01001-UP

1шт.

16

YM26116-060102

BOLT

SN: 01001-UP

2шт.

17

YM121250-59860

PLATE

SN: 01001-UP

1шт.

18

YM123325-59100

SPACER

SN: 01001-UP

2шт.

19

YM123325-59110

COVER

SN: 01001-UP

2шт.

20

YM26116-060162

BOLT

SN: 01001-UP

4шт.

Выбрано товаров: 21