Запчасти Komatsu 3D75N-1YC - -

Схема запчастей Komatsu 3D75N-1YC - - -
FIT
1:1
100%

Артикул

Название

Примечание

Количество

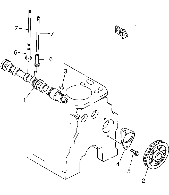
|1

YM119810-14580

CAMSHAFT ASS'Y

SN: 01661-UP

1шт.

1

0

SN: 01661-UP

1шт.

2

YM129150-14101

GEAR

SN: 01661-UP

1шт.

3

YM22512-070140

KEY

SN: 01661-UP

1шт.

4

YM129150-02450

METAL

SN: 01661-UP

1шт.

5

YM26106-080162

BOLT

SN: 01661-UP

2шт.

6

YM129150-14200

TAPPET

SN: 01661-UP

6шт.

7

YM119810-14400

PUSH ROD

SN: 01661-UP

6шт.

Выбрано товаров: 8