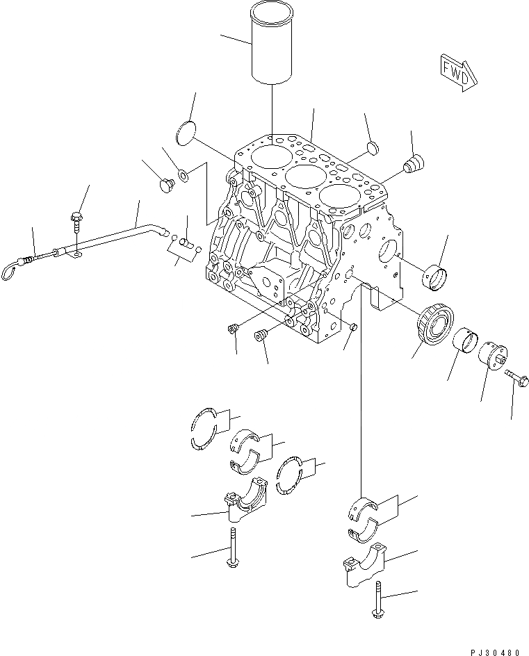
Запчасти Komatsu 3D78-1A БЛОК ЦИЛИНДРОВ(№-7) БЛОК ЦИЛИНДРОВ

Схема запчастей Komatsu 3D78-1A - БЛОК ЦИЛИНДРОВ(№-7) БЛОК ЦИЛИНДРОВ
1
1
1
2
3
4
5
6
7
8
9
9
10
10
11
11
12
13
14
15
16
17
18
19
20
21
22
23
1
1
1
2
3
4
5
6
7
8
9
9
10
10
11
11
12
13
14
15
16
17
18
19
20
21
22
23
FIT
1:1
100%

Артикул

Название

Примечание

Количество

1

YM729103-01560

CYLINDER BLOCK A.

SN: 00101-00765

1шт.

2

YM27241-120000

PLUG

SN: 00101-@

2шт.

3

YM129795-02411

BUSHING

SN: 00101-@

1шт.

4

YM171051-01921

PLUG

SN: 00101-@

1шт.

5

YM27241-300000

PLUG

SN: 00101-@

6шт.

6

YM124160-01910

PLUG

SN: 00101-@

3шт.

7

YM23871-010000

PLUG

SN: 00101-@

1шт.

8

YM27231-500000

PLUG

SN: 00101-@

1шт.

9

YM129150-02800

MAIN METAL ASS'Y

SN: 00101-00765

4шт.

|9

YM129150-02870

MAIN METAL ASS'Y,0.25MM (US)

SN: 00101-@

4шт.

10

YM129150-02930

THRUST METAL ASS'Y

SN: 00101-00765

2шт.

11

YM129150-02020

BOLT

SN: 00101-@

8шт.

12

YM129100-01100

LINER,CYLINDER

SN: 00101-00765

3шт.

|13

YM129150-25101

GEAR ASS'Y

SN: 00414-@

1шт.

|13

YM129150-25100

GEAR ASS'Y

SN: 00101-00413

1шт.

13

0

GEAR

SN: 00101-@

1шт.

14

YM129150-25061

BUSHING

SN: 00414-@

1шт.

|14

YM129150-25065

BUSHING

SN: 00101-00413

1шт.

15

YM129100-25061

SHAFT

SN: 00414-@

1шт.

|15

YM129100-25060

SHAFT

SN: 00101-00413

1шт.

16

YM26106-080452

BOLT

SN: 00101-@

2шт.

17

YM119620-34811

GUIDE

SN: 00101-@

1шт.

18

YM171353-34830

GUIDE,LEVEL GAUGE

SN: 00101-@

1шт.

19

YM24311-240100

O-RING

SN: 00101-@

2шт.

20

YM171353-34800

GAUGE,LEVEL

SN: 00101-@

1шт.

21

YM26106-080102

BOLT

SN: 00101-@

1шт.

22

YM171056-49120

PLUG,DRAIN

SN: 00101-@

1шт.

23

YM129150-49360

GASKET

SN: 00101-@

1шт.

1

YM729103-01560

CYLINDER BLOCK A.

SN: 00101-00765

1шт.

2

YM27241-120000

PLUG

SN: 00101-@

2шт.

3

YM129795-02411

BUSHING

SN: 00101-@

1шт.

4

YM171051-01921

PLUG

SN: 00101-@

1шт.

5

YM27241-300000

PLUG

SN: 00101-@

6шт.

6

YM124160-01910

PLUG

SN: 00101-@

3шт.

7

YM23871-010000

PLUG

SN: 00101-@

1шт.

8

YM27231-500000

PLUG

SN: 00101-@

1шт.

9

YM129150-02800

MAIN METAL ASS'Y

SN: 00101-00765

4шт.

|9

YM129150-02870

MAIN METAL ASS'Y,0.25MM (US)

SN: 00101-@

4шт.

10

YM129150-02930

THRUST METAL ASS'Y

SN: 00101-00765

2шт.

11

YM129150-02020

BOLT

SN: 00101-@

8шт.

12

YM129100-01100

LINER,CYLINDER

SN: 00101-00765

3шт.

|13

YM129150-25101

GEAR ASS'Y

SN: 00414-@

1шт.

|13

YM129150-25100

GEAR ASS'Y

SN: 00101-00413

1шт.

13

0

GEAR

SN: 00101-@

1шт.

14

YM129150-25061

BUSHING

SN: 00414-@

1шт.

|14

YM129150-25065

BUSHING

SN: 00101-00413

1шт.

15

YM129100-25061

SHAFT

SN: 00414-@

1шт.

|15

YM129100-25060

SHAFT

SN: 00101-00413

1шт.

16

YM26106-080452

BOLT

SN: 00101-@

2шт.

17

YM119620-34811

GUIDE

SN: 00101-@

1шт.

18

YM171353-34830

GUIDE,LEVEL GAUGE

SN: 00101-@

1шт.

19

YM24311-240100

O-RING

SN: 00101-@

2шт.

20

YM171353-34800

GAUGE,LEVEL

SN: 00101-@

1шт.

21

YM26106-080102

BOLT

SN: 00101-@

1шт.

22

YM171056-49120

PLUG,DRAIN

SN: 00101-@

1шт.

23

YM129150-49360

GASKET

SN: 00101-@

1шт.

Выбрано товаров: 0