Запчасти Komatsu 3D78-1F ТОПЛИВН. ФИЛЬТР. ТОПЛИВН. СИСТЕМА

Схема запчастей Komatsu 3D78-1F - ТОПЛИВН. ФИЛЬТР. ТОПЛИВН. СИСТЕМА
FIT
1:1
100%

Артикул

Название

Примечание

Количество

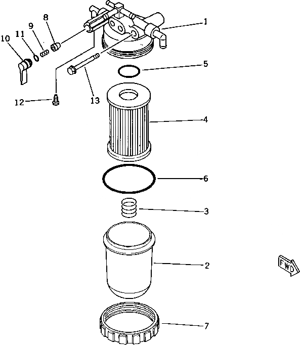
1

YM129100-55621

FUEL FILTER ASS'Y

SN: 01589-UP

1шт.

2

YM129100-55680

CUP

SN: 01589-UP

1шт.

3

YM129100-55700

SPRING

SN: 01589-UP

1шт.

4

YM129100-55650

ELEMENT

SN: 01589-UP

1шт.

5

YM24311-000160

O-RING

SN: 01589-UP

1шт.

6

YM24321-000650

O-RING

SN: 01589-UP

1шт.

7

YM129100-55690

RING,RETAINING

SN: 01589-UP

1шт.

8

YM104200-55321

VALVE

SN: 01589-UP

1шт.

9

YM104200-55330

SPRING

SN: 01589-UP

1шт.

10

YM129100-55670

LEVER

SN: 01589-UP

1шт.

11

YM24311-240100

O-RING

SN: 01589-UP

1шт.

12

YM104200-55750

SCREW

SN: 01589-UP

1шт.

13

YM26014-080702

BOLT

SN: 04493-UP

1шт.

|13

YM26106-080652

BOLT

SN: 01589-04492

1шт.

Выбрано товаров: 0