Запчасти Komatsu 3D82AE-3D ВЫПУСКНОЙ КОЛЛЕКТОР И ГЛУШИТЕЛЬ ГОЛОВКА ЦИЛИНДРОВ

Схема запчастей Komatsu 3D82AE-3D - ВЫПУСКНОЙ КОЛЛЕКТОР И ГЛУШИТЕЛЬ ГОЛОВКА ЦИЛИНДРОВ
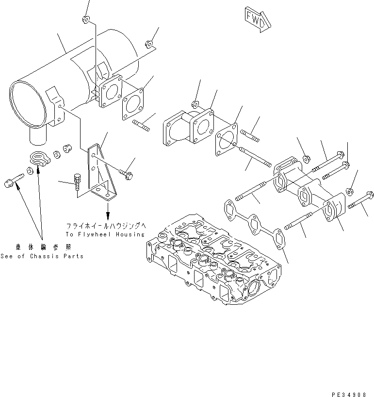
1
2
3
4
5
5
6
6
7
8
9
10
10
11
12
12
13
13
13
14
15
16
FIT
1:1
100%

Артикул

Название

Примечание

Количество

1

YM119840-13100

MANIFOLD,EXHAUST

SN: 00601-UP

1шт.

2

YM119810-13110

GASKET

SN: 00601-UP

1шт.

3

YM26216-080602

STUD

SN: 00601-UP

1шт.

4

YM26216-080802

STUD

SN: 00601-UP

1шт.

5

YM194990-22050

NUT

SN: 00601-UP

2шт.

6

YM26106-080602

BOLT

SN: 00601-UP

3шт.

7

YM26106-080802

BOLT

SN: 00601-UP

1шт.

8

YM119840-13150

PIPE

SN: 00601-UP

1шт.

9

YM119823-13500

MUFFLER

SN: 00601-UP

1шт.

10

YM124701-11911

GASKET (KIT)

SN: 00601-UP

2шт.

11

YM26216-080702

STUD

SN: 00601-UP

2шт.

12

YM26216-080222

STUD

SN: 00601-UP

4шт.

13

YM194990-22050

NUT

SN: 00601-UP

6шт.

14

YM119840-13650

STAY

SN: 00601-UP

1шт.

15

YM26106-100162

BOLT

SN: 00601-UP

2шт.

16

YM26014-080222

BOLT

SN: 00601-UP

2шт.

Выбрано товаров: 16