Запчасти Komatsu 3D82AE-3HC-MX БЛОК ЦИЛИНДРОВ АКСЕССУАРЫ(№8-) ДВИГАТЕЛЬ

Схема запчастей Komatsu 3D82AE-3HC-MX - БЛОК ЦИЛИНДРОВ АКСЕССУАРЫ(№8-) ДВИГАТЕЛЬ
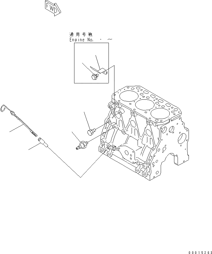
1
2
3
4
5
6
FIT
1:1
100%

Артикул

Название

Примечание

Количество

1

452-743

GUIDE

SN: 11582-UP

1шт.

2

452-601

GAUGE,LEVEL

SN: 11582-UP

1шт.

3

453-978

SWITCH,OIL PRESSURE

SN: 11582-UP

1шт.

4

453-946

SUPPORT

SN: .-UP

1шт.

5

456-767

BOLT

SN: .-UP

1шт.

6

450-779

PLUG,DRAIN

SN: 11582-UP

1шт.

Выбрано товаров: 0