Запчасти Komatsu 3D82AE-3HC БЛОК ЦИЛИНДРОВ АКСЕССУАРЫ(№8-) ДВИГАТЕЛЬ

Схема запчастей Komatsu 3D82AE-3HC - БЛОК ЦИЛИНДРОВ АКСЕССУАРЫ(№8-) ДВИГАТЕЛЬ
1
2
3
4
5
6
FIT
1:1
100%

Артикул

Название

Примечание

Количество

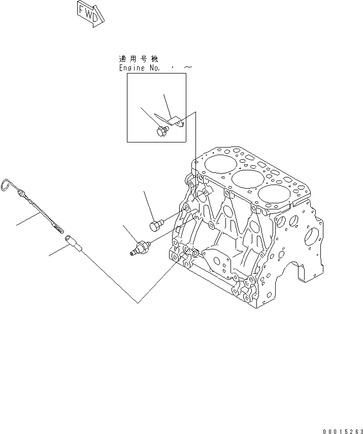
1

YM121520-34810

GUIDE

SN: 11582-UP

1шт.

2

YM119836-34800

GAUGE,LEVEL

SN: 11582-UP

1шт.

3

YM121252-39450

SWITCH,OIL PRESSURE

SN: 11582-UP

1шт.

4

YM129136-66852

SUPPORT

SN: .-UP

1шт.

5

YM26106-080122

BOLT

SN: .-UP

1шт.

6

YM171056-49120

PLUG,DRAIN

SN: 11582-UP

1шт.

Выбрано товаров: 6