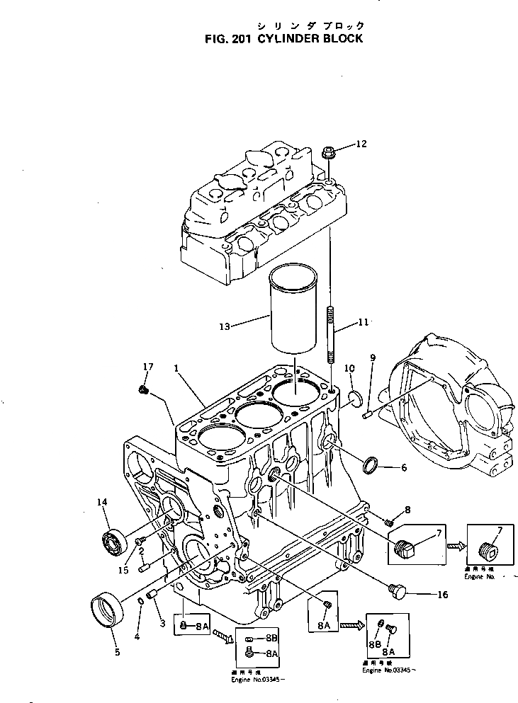
Запчасти Komatsu 3D84-1B БЛОК ЦИЛИНДРОВ БЛОК ЦИЛИНДРОВ

Схема запчастей Komatsu 3D84-1B - БЛОК ЦИЛИНДРОВ БЛОК ЦИЛИНДРОВ
FIT
1:1
100%

Артикул

Название

Примечание

Количество

|1

YM729350-01560

CYLINDER BLOCK A.

SN: 01001-UP

1шт.

1

0

BLOCK

SN: 03345-UP

1шт.

|1

0

BLOCK

SN: 01001-03344

1шт.

2

YM22312-080160

PIN

SN: 01001-UP

1шт.

3

YM124085-01900

GUIDE

SN: 01001-UP

2шт.

4

YM24311-000100

O-RING

SN: 01001-UP

2шт.

5

YM129350-02100

METAL

SN: 01001-UP

1шт.

6

YM27241-300000

PLUG

SN: 01001-UP

6шт.

7

YM171051-01921

PLUG

SN: .-UP

1шт.

|7

0

PLUG

SN: 01001-.

1шт.

8

YM124060-01050

PLUG

SN: 01001-UP

6шт.

8A

YM23881-120002

PLUG

SN: 03345-UP

2шт.

|8A

YM124060-01050

PLUG

SN: 01001-03344

2шт.

8B

YM23414-120016

GASKET

SN: 03345-UP

2шт.

9

YM22312-080160

PIN

SN: 01001-UP

2шт.

10

YM121450-01990

PLUG

SN: 01001-UP

1шт.

11

YM124950-01210

STUD

SN: 01001-UP

2шт.

12

YM121450-01220

NUT

SN: 01001-UP

2шт.

13

YM129350-01100

LINER

SN: 01001-UP

3шт.

14

YM24101-062054

BEARING

SN: 01001-UP

1шт.

15

YM26587-080102

SCREW

SN: 01001-UP

1шт.

16

YM171056-49120

PLUG

SN: 01001-UP

1шт.

17

YM124976-34850

PLUG

SN: 01001-UP

1шт.

Выбрано товаров: 23