Запчасти Komatsu 3D84-1D РЕГУЛЯТОР ТОПЛИВН. СИСТЕМА

Схема запчастей Komatsu 3D84-1D - РЕГУЛЯТОР ТОПЛИВН. СИСТЕМА
FIT
1:1
100%

Артикул

Название

Примечание

Количество

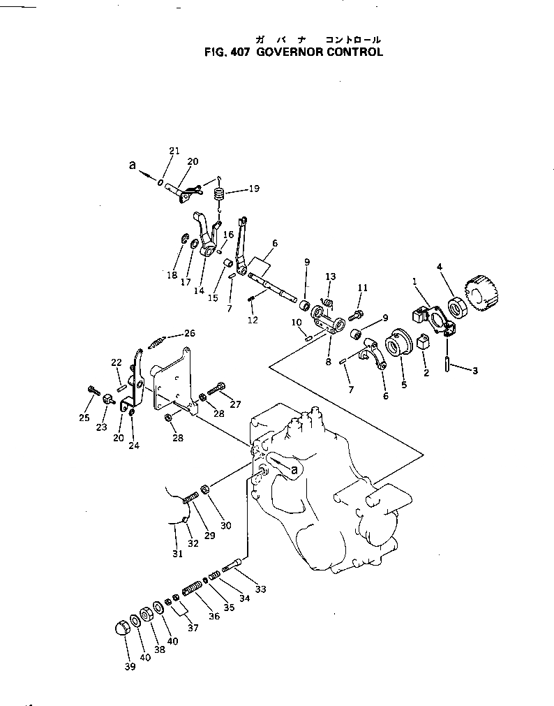
1

YM121450-61101

GOVERNOR WEIGHT A.

SN: 01001-UP

1шт.

2

0

WEIGHT

SN: 01001-UP

2шт.

3

0

PIN

SN: 01001-UP

2шт.

4

YM121450-21541

NUT

SN: 01001-UP

1шт.

5

YM129335-61600

SLEEVE

SN: .-UP

1шт.

|5

0

SLEEVE

SN: 01001-.

1шт.

|$$7

(YM129335-61600{YM121575-61710¤}

-1шт.

|$$8

YM121575-61720)

-1шт.

5A

YM121575-61710

BEARING,(NOT SHOWN)

SN: .-UP

1шт.

5B

YM121575-61720

COOLER,(NOT SHOWN)

SN: .-UP

1шт.

6

YM121451-61001

LEVER ASS'Y

SN: 01001-UP

1шт.

7

YM22322-030180

PIN

SN: 01001-UP

2шт.

8

YM121520-61620

SUPPORT

SN: 01001-UP

1шт.

9

YM121520-61520

BEARING

SN: 01001-UP

2шт.

10

YM22312-040080

PIN

SN: 01001-UP

2шт.

11

YM26106-060222

BOLT

SN: 01001-UP

2шт.

12

YM22351-030010

PIN

SN: 01001-UP

1шт.

13

YM121450-61631

SPRING

SN: 01001-UP

1шт.

14

YM121450-66180

LEVER ASS'Y

SN: 01001-UP

1шт.

15

YM121450-66170

BUSHING

SN: 01001-UP

1шт.

16

YM22312-030080

PIN

SN: 01001-UP

1шт.

17

YM22117-080000

WASHER

SN: 01001-UP

1шт.

18

YM22272-000060

RING,SNAP

SN: 01001-UP

1шт.

19

YM129350-66010

SPRING

SN: 01001-UP

1шт.

20

YM129327-66000

REGULATOR HANDLE A.

SN: 01001-UP

1шт.

21

YM24311-000070

O-RING

SN: 01001-UP

1шт.

22

YM22322-030200

PIN

SN: 01001-UP

1шт.

23

YM124066-03770

STOPPER

SN: 01001-UP

1шт.

24

YM22272-000050

RING,SNAP

SN: 01001-UP

1шт.

25

YM26116-040088

BOLT

SN: 01001-UP

1шт.

26

YM160110-66011

SPRING

SN: 01001-UP

1шт.

27

YM102100-67080

BOLT

SN: 01001-UP

1шт.

28

YM26756-060002

NUT

SN: 01001-UP

2шт.

29

YM121454-66420

SCREW,ADJUST

SN: 01001-UP

1шт.

30

YM124550-66370

NUT

SN: 01001-UP

1шт.

31

YM22451-100000

WIRE,LOCK

SN: 01001-UP

1шт.

32

YM135210-61090

LEAD

SN: 01001-UP

1шт.

|33

YM121520-66550

SCREW ASS'Y

SN: 01001-UP

1шт.

33

0

PIN

SN: 01001-UP

1шт.

34

0

SPRING

SN: 01001-UP

1шт.

35

0

SHIM

SN: 01001-UP

1шт.

36

0

GUIDE

SN: 01001-UP

1шт.

37

0

NUT

SN: 01001-UP

2шт.

38

YM129305-07950

NUT

SN: 01001-UP

1шт.

39

YM26687-120002

NUT,CAP

SN: 01001-UP

1шт.

40

YM43400-500450

WASHER,SEAL

SN: 01001-UP

2шт.

Выбрано товаров: 46