Запчасти Komatsu 3D84-1D ТОПЛ. НАСОС ТОПЛИВН. СИСТЕМА

Схема запчастей Komatsu 3D84-1D - ТОПЛ. НАСОС ТОПЛИВН. СИСТЕМА
FIT
1:1
100%

Артикул

Название

Примечание

Количество

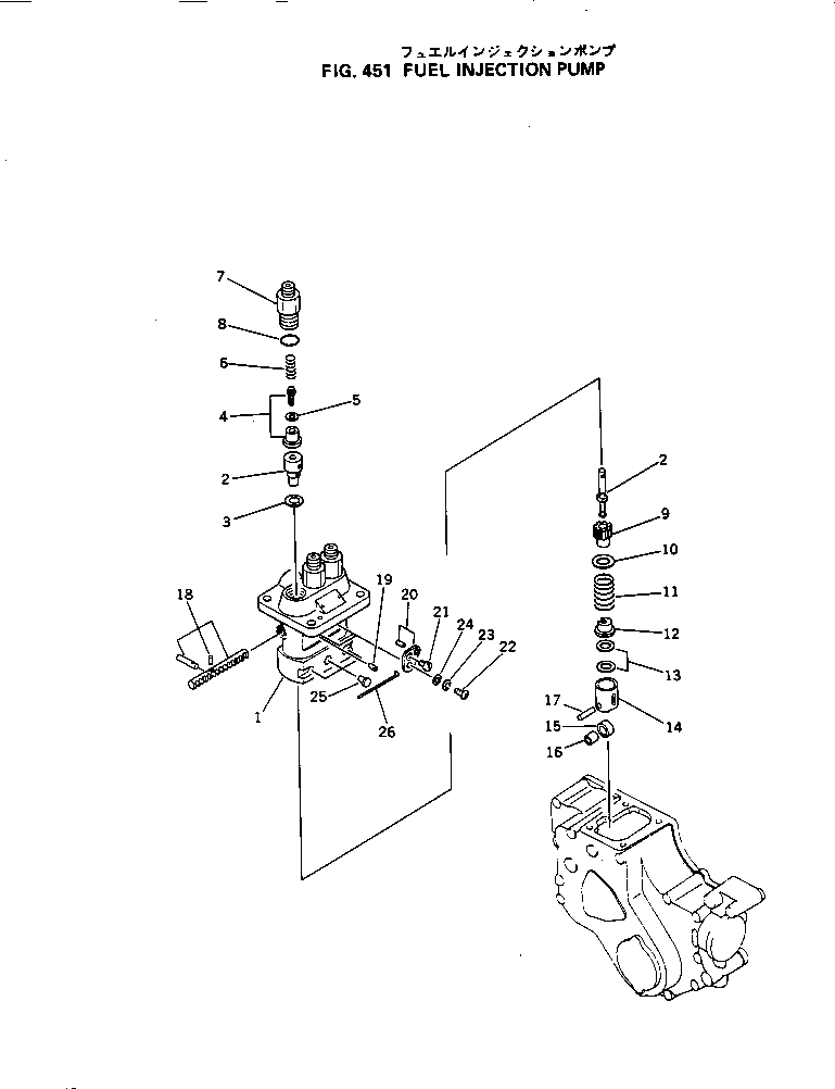
|1

YM771058-51101

INJECTION PUMP A.

SN: 01001-UP

1шт.

1

0

BODY

SN: 01001-UP

1шт.

2

YM171058-51101

PLUNGER

SN: 01001-UP

3шт.

3

YM124950-51270

PACKING

SN: 01001-UP

3шт.

4

YM124060-51300

VALVE ASS'Y,DELIVERY

SN: 01001-UP

3шт.

5

YM124550-51350

GASKET

SN: 01001-UP

3шт.

6

YM124550-51320

SPRING

SN: 01001-UP

3шт.

7

YM124550-51341

HOLDER

SN: 01001-UP

3шт.

8

YM124550-51370

O-RING

SN: 01001-UP

3шт.

9

YM124950-51510

PINION

SN: 01001-UP

3шт.

10

YM174307-51170

SEAT

SN: 01001-UP

3шт.

11

YM124950-51190

SPRING

SN: 01001-UP

3шт.

12

YM174307-51181

SEAT

SN: 01001-UP

3шт.

13

YM174307-51700

SHIM ASS'Y

SN: 01001-UP

3шт.

|14

YM724550-51520

PLUNGER GUIDE A.

SN: 01001-UP

3шт.

14

0

GUIDE

SN: 01001-UP

1шт.

|15

YM711100-51540

TAPPET ROLLER A.

SN: 01001-UP

1шт.

15

0

ROLLER

SN: 01001-UP

1шт.

16

0

ROLLER

SN: 01001-UP

1шт.

17

YM174100-54120

PIN

SN: 01001-UP

1шт.

18

YM121450-51500

RACK ASS'Y

SN: 01001-UP

1шт.

19

YM103854-51251

PIN

SN: 01001-UP

1шт.

20

YM124950-51640

ADJUSTING PLATE A.

SN: 01001-UP

2шт.

21

YM103854-51660

SCREW,ADJUSTING

SN: 01001-UP

2шт.

22

YM26587-050102

SCREW

SN: 01001-UP

2шт.

23

YM22217-050000

WASHER,SPRING

SN: 01001-UP

2шт.

24

YM22117-050000

WASHER

SN: 01001-UP

2шт.

25

YM124950-51450

PIECE

SN: 01001-UP

3шт.

26

YM121150-51460

PIN,LOCK

SN: 01001-UP

1шт.

Выбрано товаров: 29