Запчасти Komatsu 3D84-1H СМАЗЫВ. НАСОС И ТРУБЫ СИСТЕМА СМАЗКИ МАСЛ. СИСТЕМА

Схема запчастей Komatsu 3D84-1H - СМАЗЫВ. НАСОС И ТРУБЫ СИСТЕМА СМАЗКИ МАСЛ. СИСТЕМА
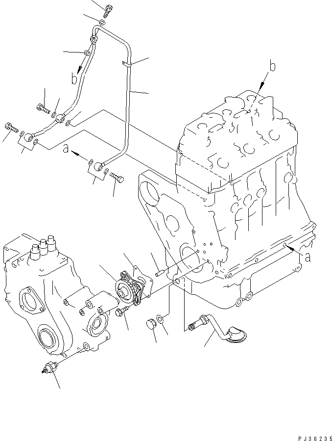
1
2
3
4
5
6
7
8
9
10
11
11
11
12
12
12
12
12
13
14
FIT
1:1
100%

Артикул

Название

Примечание

Количество

1

YM129350-32090

OIL PUMP ASS'Y

SN: 18873-UP

1шт.

2

YM121450-32060

PIN

SN: 18873-UP

1шт.

3

YM121450-32021

PACKING (KIT)

SN: 18873-UP

1шт.

4

YM26013-060222

BOLT

SN: 18873-UP

3шт.

5

YM129350-35090

PIPE,INLET

SN: 18873-UP

1шт.

6

YM121550-35100

NUT,CAP

SN: 18873-UP

1шт.

7

YM121550-35110

GASKET

SN: 18873-UP

1шт.

8

YM129350-39200

TUBE

SN: 18873-UP

1шт.

9

YM124160-39140

BOLT,JOINT

SN: 18873-UP

1шт.

10

YM23414-100000

GASKET,RING

SN: 18873-UP

2шт.

11

YM124550-59820

BOLT,JOINT

SN: 18873-UP

3шт.

12

YM23414-080000

GASKET

SN: 18873-UP

6шт.

13

YM124450-39240

CLIP

SN: 18873-UP

1шт.

14

YM124160-39450

SWITCH,OIL PRESSURE

SN: 18873-UP

1шт.

Выбрано товаров: 14