Запчасти Komatsu 3D84E-3A ВОДООТДЕЛИТЕЛЬ И ТРУБЫ(№89-) ТОПЛИВН. СИСТЕМА

Схема запчастей Komatsu 3D84E-3A - ВОДООТДЕЛИТЕЛЬ И ТРУБЫ(№89-) ТОПЛИВН. СИСТЕМА
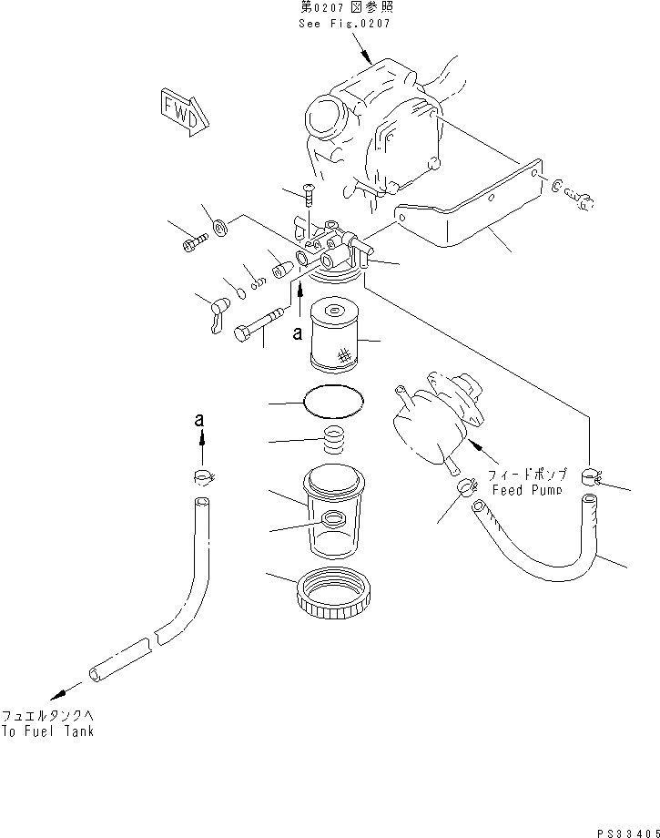
1
2
3
4
5
6
7
8
9
10
11
12
13
14
15
16
17
18
18
FIT
1:1
100%

Артикул

Название

Примечание

Количество

1

YM129335-55700

WATER SEPARATOR A.

SN: 00289-UP

1шт.

2

YM124064-55510

CASE

SN: 00289-UP

1шт.

3

YM121257-55720

SPRING

SN: 00289-UP

1шт.

4

YM171081-55910

SCREEN

SN: 00289-UP

1шт.

5

YM102103-55520

O-RING

SN: 00289-UP

1шт.

6

YM121257-55731

FLOAT

SN: 00289-UP

1шт.

7

YM110250-55610

RING

SN: 00289-UP

1шт.

8

YM104200-55321

VALVE

SN: 00289-UP

1шт.

9

YM104200-55330

SPRING

SN: 00289-UP

1шт.

10

YM104200-55341

LEVER

SN: 00289-UP

1шт.

11

YM24311-240100

O-RING

SN: 00289-UP

1шт.

12

YM104200-55750

SCREW

SN: 00289-UP

1шт.

13

YM101720-55750

PLUG

SN: 00289-UP

2шт.

14

YM23418-060000

GASKET

SN: 00289-UP

2шт.

15

YM129136-55650

BRACKET

SN: 00289-UP

1шт.

16

YM26014-080702

BOLT

SN: 00289-UP

1шт.

17

YM129136-59110

HOSE

SN: 00289-UP

1шт.

18

YM124766-59050

CLAMP

SN: 00289-UP

2шт.

Выбрано товаров: 0