Запчасти Komatsu 3D84E-3K ПЕРЕДН. COVER(№89-) ДВИГАТЕЛЬ

Схема запчастей Komatsu 3D84E-3K - ПЕРЕДН. COVER(№89-) ДВИГАТЕЛЬ
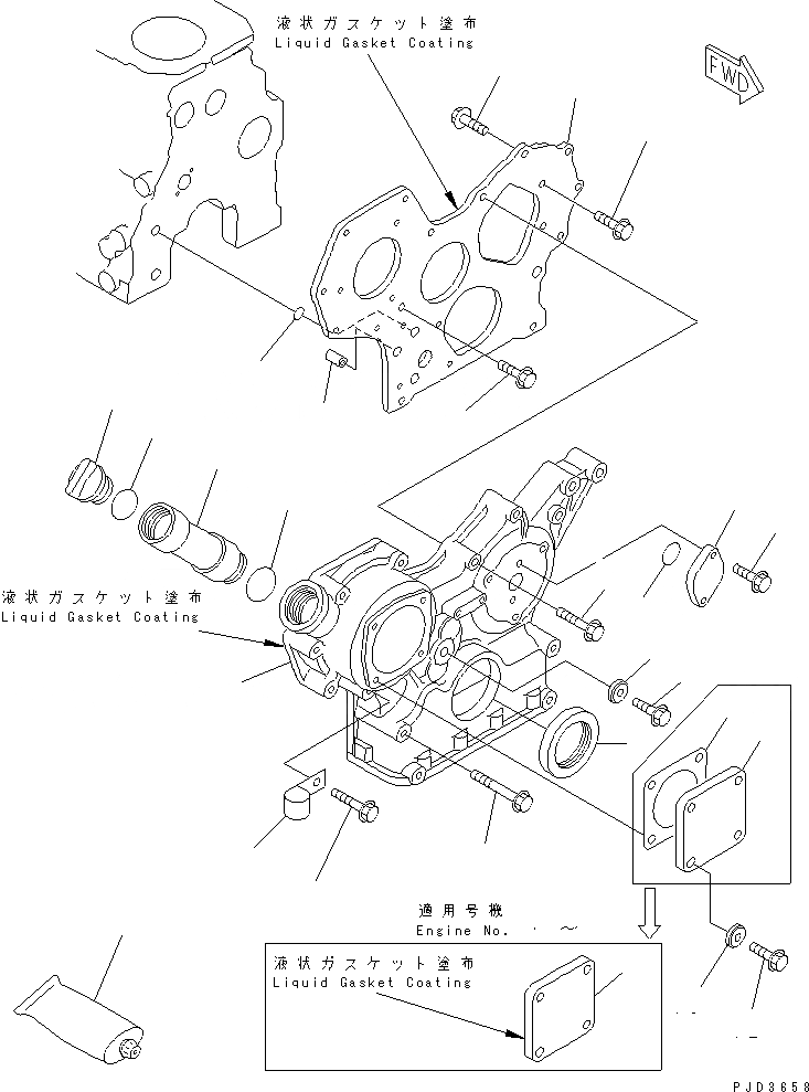
1
2
3
4
5
5
6
7
8
9
10
11
12
13
14
15
16
17
18
19
19
20
21
22
23
24
25
FIT
1:1
100%

Артикул

Название

Примечание

Количество

|1

YM719810-01500

FRONT COVER ASS'Y

SN: 18941-UP

1шт.

1

0

COVER,GEAR

SN: 18941-UP

1шт.

2

YM129795-01800

SEAL¤ FRONT

SN: 18941-UP

1шт.

3

YM129400-01520

FLANGE

SN: 18941-UP

1шт.

4

YM124160-01751

CAP,OIL

SN: 18941-UP

1шт.

5

YM124240-01871

COVER

SN: 18941-UP

1шт.

6

YM124240-01883

GASKET (KIT)

SN: 18941-.

1шт.

7

YM129795-01950

PIPE

SN: 18941-UP

2шт.

8

YM129150-03100

CLIP,BREATHER HOSE

SN: 18941-UP

1шт.

9

YM22190-080002

SEAL,RING (KIT)

SN: 18941-UP

1шт.

10

YM24311-000160

O-RING (KIT)

SN: 18941-UP

2шт.

11

YM24311-000320

O-RING (KIT)

SN: 18941-UP

1шт.

12

YM26106-080122

BOLT

SN: 18941-UP

4шт.

13

YM26106-080162

BOLT

SN: 18941-UP

1шт.

14

YM26106-080202

BOLT

SN: 18941-UP

2шт.

15

YM26106-080452

BOLT

SN: 18941-UP

6шт.

16

YM26106-080552

BOLT

SN: 18941-UP

3шт.

17

YM129001-91841

BOLT

SN: 29927-UP

4шт.

|17

0

BOLT

SN: 19979-29926

4шт.

|17

0

BOLT

SN: 18941-19978

4шт.

18

YM22190-080002

SEAL,RING (KIT)

SN: 18941-UP

4шт.

19

YM26106-080162

BOLT

SN: 18941-UP

3шт.

20

YM121023-01550

COVER

SN: 18941-UP

1шт.

21

YM24341-000240

O-RING (KIT)

SN: 18941-UP

1шт.

22

YM26106-060162

BOLT

SN: .-UP

2шт.

|22

0

BOLT

SN: 18941-.

2шт.

23

YM171031-11741

FILLER,OIL

SN: 18941-UP

1шт.

24

YM24311-000320

O-RING (KIT)

SN: 18941-UP

1шт.

25

YM977770-01212

LIQUID GASKET

SN: 18941-UP

-2шт.

Выбрано товаров: 29