Запчасти Komatsu 3D84N-1YC ГОЛОВКА ЦИЛИНДРОВ ГОЛОВКА ЦИЛИНДРОВ

Схема запчастей Komatsu 3D84N-1YC - ГОЛОВКА ЦИЛИНДРОВ ГОЛОВКА ЦИЛИНДРОВ
FIT
1:1
100%

Артикул

Название

Примечание

Количество

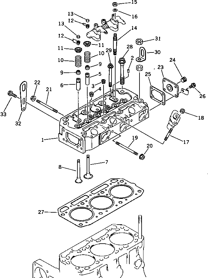
1

YM729331-11700

CYLINDER HEAD A.

SN: 20425-UP

1шт.

1

0

HEAD,CYLINDER

SN: 20425-UP

1шт.

2

YM121000-11050

PIN

SN: 20425-UP

1шт.

3

YM23871-020000

PLUG

SN: 20425-UP

1шт.

4

YM23871-030000

PLUG

SN: 20425-UP

2шт.

5

YM120130-11160

GUIDE,VALVE INTAKE

SN: 20425-UP

3шт.

6

YM129150-11170

GUIDE,VALVE EXHAUST

SN: 20425-UP

3шт.

7

YM129350-11100

VALVE,INTAKE

SN: 20425-UP

3шт.

8

YM129350-11110

VALVE,EXHAUST

SN: 20425-UP

3шт.

9

YM124460-11340

SEAL,VALVE

SN: 20425-UP

6шт.

10

YM104511-11120

SPRING

SN: 20425-UP

6шт.

11

YM103338-11180

SEAT,SPRING

SN: 20425-UP

6шт.

12

YM103338-11190

COTTER,VALVE

SN: 20425-UP

6шт.

13

YM104511-11370

CAP

SN: 20425-UP

6шт.

14

YM105225-11350

STUD

SN: 20425-UP

3шт.

15

YM26696-100002

NUT

SN: 20425-UP

3шт.

16

YM22137-100000

WASHER

SN: 20425-UP

3шт.

17

YM26216-080652

STUD

SN: 20425-UP

6шт.

18

YM121465-11950

NUT

SN: 20425-UP

6шт.

19

YM26216-080702

STUD

SN: 20425-UP

2шт.

20

YM26366-080002

NUT

SN: 20425-UP

2шт.

21

YM26216-080652

STUD

SN: 20425-UP

2шт.

22

YM194990-22050

NUT

SN: 20425-UP

2шт.

23

YM129301-11670

COVER

SN: 20425-UP

1шт.

24

YM23871-030000

PLUG

SN: 20425-UP

1шт.

25

YM121450-11680

PACKING

SN: 20425-UP

1шт.

26

YM26106-080122

BOLT

SN: 20425-UP

4шт.

27

YM129350-01331

GASKET,HEAD

SN: 20425-UP

1шт.

28

YM129350-01200

BOLT,HEAD

SN: 20425-UP

6шт.

29

YM129350-01230

BOLT,HEAD

SN: 20425-UP

3шт.

30

YM121575-07230

HOOK

SN: 20425-UP

1шт.

31

YM129305-07950

NUT

SN: 20425-UP

1шт.

32

YM124736-07900

HOOK

SN: 20425-UP

1шт.

33

YM26106-080142

BOLT

SN: 20425-UP

2шт.

Выбрано товаров: 34