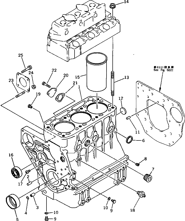
Запчасти Komatsu 3D84N-1YC БЛОК ЦИЛИНДРОВ БЛОК ЦИЛИНДРОВ

Схема запчастей Komatsu 3D84N-1YC - БЛОК ЦИЛИНДРОВ БЛОК ЦИЛИНДРОВ
FIT
1:1
100%

Артикул

Название

Примечание

Количество

1

YM729350-01560

CYLINDER BLOCK A.

SN: 20425-UP

1шт.

1

0

BLOCK,CYLINDER

SN: 20425-UP

1шт.

2

YM22312-080160

PIN,DOWEL

SN: 20425-UP

1шт.

3

YM124085-01900

GUIDE

SN: 20425-UP

2шт.

4

YM24311-000100

O-RING

SN: 20425-UP

2шт.

5

YM129350-02100

METAL,MAIN¤ FRONT

SN: 20425-UP

1шт.

6

YM27241-300000

PLUG

SN: 20425-UP

6шт.

7

YM171051-01921

PLUG

SN: 20425-UP

1шт.

8

YM124060-01050

PLUG

SN: 20425-UP

6шт.

9

YM23881-120002

PLUG

SN: 20425-UP

2шт.

10

YM23414-120016

GASKET

SN: 20425-UP

2шт.

11

YM22312-080160

PIN,DOWEL

SN: 20425-UP

2шт.

12

YM121450-01990

PLUG

SN: 20425-UP

1шт.

13

YM124950-01210

STUD

SN: 20425-UP

2шт.

14

YM121450-01220

NUT

SN: 20425-UP

2шт.

15

YM129350-01100

LINER,CYLINDER

SN: 20425-UP

3шт.

16

YM24101-062054

BEARING,BALL

SN: 20425-UP

1шт.

17

YM26587-080102

SCREW

SN: 20425-UP

1шт.

18

YM121550-49111

JOINT

SN: 20425-UP

1шт.

19

YM124976-34850

PLUG

SN: 20425-UP

1шт.

20

YM121520-01860

COVER

SN: 20425-UP

1шт.

21

YM121520-01850

PACKING

SN: 20425-UP

1шт.

22

YM26015-060182

BOLT

SN: 20425-UP

2шт.

23

YM26216-080302

STUD

SN: 20425-UP

2шт.

24

YM194990-22050

NUT

SN: 20425-UP

2шт.

25

YM26116-081102

BOLT

SN: 20425-UP

2шт.

Выбрано товаров: 26