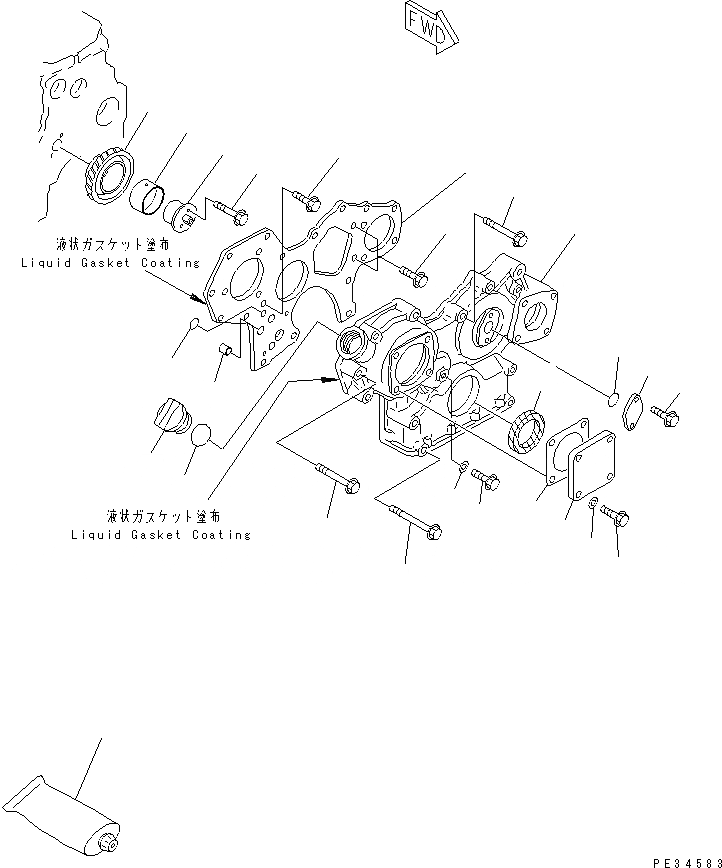
Запчасти Komatsu 3D84N-2C КОРПУС ШЕСТЕРЕНН. ПЕРЕДАЧИ И ПЕРЕДН. COVER(№-7) БЛОК ЦИЛИНДРОВ

Схема запчастей Komatsu 3D84N-2C - КОРПУС ШЕСТЕРЕНН. ПЕРЕДАЧИ И ПЕРЕДН. COVER(№-7) БЛОК ЦИЛИНДРОВ
1
2
3
4
4
5
6
7
8
9
10
11
12
13
14
15
16
17
18
19
20
21
22
23
24
25
1
2
3
4
4
5
6
7
8
9
10
11
12
13
14
15
16
17
18
19
20
21
22
23
24
25
FIT
1:1
100%

Артикул

Название

Примечание

Количество

1

YM129100-01520

FLANGE

SN: 03250-@

1шт.

2

YM24311-000160

O-RING

SN: 03250-@

2шт.

3

YM129795-01950

PIPE

SN: 03250-@

2шт.

4

YM26106-080162

BOLT

SN: 03250-@

3шт.

5

YM129100-01500

COVER,GEAR

SN: 03250-27662

1шт.

6

YM26106-080452

BOLT

SN: 03250-@

6шт.

7

YM26106-080552

BOLT

SN: 03250-@

3шт.

8

YM26106-080852

BOLT

SN: 03250-@

4шт.

9

YM124160-01751

CAP

SN: 03250-@

1шт.

10

YM24311-000320

O-RING

SN: 03250-@

1шт.

11

YM129795-01800

SEAL¤ FRONT

SN: 03250-@

1шт.

12

YM124240-01871

COVER

SN: 03250-@

1шт.

13

YM124240-01883

GASKET (KIT)

SN: 24240-@

1шт.

|13

0

GASKET (KIT)

SN: 03250-24239

1шт.

14

YM26106-080122

BOLT

SN: 03250-@

4шт.

15

YM43400-500410

WASHER,SEAL

SN: 03250-@

4шт.

16

YM26106-080162

BOLT

SN: 03250-@

1шт.

17

YM43400-500410

WASHER,SEAL

SN: 03250-@

1шт.

18

YM121023-01550

COVER

SN: 03250-@

1шт.

19

YM24341-000240

O-RING

SN: 13245-@

1шт.

|19

0

O-RING

SN: 03250-13244

1шт.

20

YM26106-060122

BOLT

SN: 03250-@

2шт.

|21

YM129150-25101

IDLER GEAR ASS'Y

SN: 03250-@

1шт.

21

0

GEAR

SN: 03250-@

1шт.

22

YM129150-25061

BUSHING

SN: 03250-@

1шт.

23

YM129100-25061

SHAFT

SN: 03250-@

1шт.

24

YM26106-080452

BOLT

SN: 03250-@

2шт.

25

YM977770-01212

LIQUID GASKET

SN: 03250-@

1шт.

1

YM129100-01520

FLANGE

SN: 03250-@

1шт.

2

YM24311-000160

O-RING

SN: 03250-@

2шт.

3

YM129795-01950

PIPE

SN: 03250-@

2шт.

4

YM26106-080162

BOLT

SN: 03250-@

3шт.

5

YM129100-01500

COVER,GEAR

SN: 03250-27662

1шт.

6

YM26106-080452

BOLT

SN: 03250-@

6шт.

7

YM26106-080552

BOLT

SN: 03250-@

3шт.

8

YM26106-080852

BOLT

SN: 03250-@

4шт.

9

YM124160-01751

CAP

SN: 03250-@

1шт.

10

YM24311-000320

O-RING

SN: 03250-@

1шт.

11

YM129795-01800

SEAL¤ FRONT

SN: 03250-@

1шт.

12

YM124240-01871

COVER

SN: 03250-@

1шт.

13

YM124240-01883

GASKET (KIT)

SN: 24240-@

1шт.

|13

0

GASKET (KIT)

SN: 03250-24239

1шт.

14

YM26106-080122

BOLT

SN: 03250-@

4шт.

15

YM43400-500410

WASHER,SEAL

SN: 03250-@

4шт.

16

YM26106-080162

BOLT

SN: 03250-@

1шт.

17

YM43400-500410

WASHER,SEAL

SN: 03250-@

1шт.

18

YM121023-01550

COVER

SN: 03250-@

1шт.

19

YM24341-000240

O-RING

SN: 13245-@

1шт.

|19

0

O-RING

SN: 03250-13244

1шт.

20

YM26106-060122

BOLT

SN: 03250-@

2шт.

|21

YM129150-25101

IDLER GEAR ASS'Y

SN: 03250-@

1шт.

21

0

GEAR

SN: 03250-@

1шт.

22

YM129150-25061

BUSHING

SN: 03250-@

1шт.

23

YM129100-25061

SHAFT

SN: 03250-@

1шт.

24

YM26106-080452

BOLT

SN: 03250-@

2шт.

25

YM977770-01212

LIQUID GASKET

SN: 03250-@

1шт.

Выбрано товаров: 0