Запчасти Komatsu 3D84N-2CA КОРПУС ШЕСТЕРЕНН. ПЕРЕДАЧИ И ПЕРЕДН. COVER(№7-) БЛОК ЦИЛИНДРОВ

Схема запчастей Komatsu 3D84N-2CA - КОРПУС ШЕСТЕРЕНН. ПЕРЕДАЧИ И ПЕРЕДН. COVER(№7-) БЛОК ЦИЛИНДРОВ
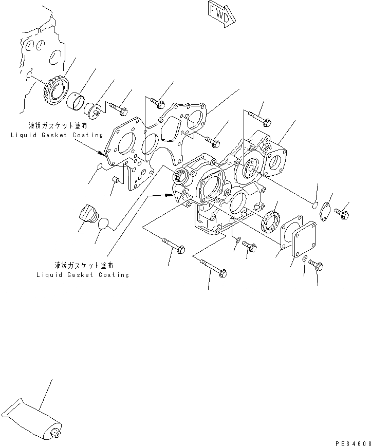
1
2
3
4
4
5
6
7
8
9
10
11
12
13
14
15
16
17
18
19
20
21
22
23
24
25
1
2
3
4
4
5
6
7
8
9
10
11
12
13
14
15
16
17
18
19
20
21
22
23
24
25
1
2
3
4
4
5
6
7
8
9
10
11
12
13
14
15
16
17
18
19
20
21
22
23
24
25
FIT
1:1
100%

Артикул

Название

Примечание

Количество

1

YM129100-01520

FLANGE

SN: 03250-UP

1шт.

2

YM24311-000160

O-RING

SN: 03250-UP

2шт.

3

YM129795-01950

PIPE

SN: 03250-UP

2шт.

4

YM26106-080162

BOLT

SN: 03250-UP

3шт.

5

YM129100-01590

FRONT COVER ASS'Y

SN: 27663-UP

1шт.

6

YM129795-01800

SEAL¤ FRONT

SN: 03250-UP

1шт.

7

YM26106-080452

BOLT

SN: 03250-UP

6шт.

8

YM26106-080552

BOLT

SN: 03250-UP

3шт.

9

YM26106-080852

BOLT

SN: 03250-UP

4шт.

10

YM124160-01751

CAP

SN: 03250-UP

1шт.

11

YM24311-000320

O-RING

SN: 03250-UP

1шт.

12

YM124240-01871

COVER

SN: 03250-UP

1шт.

13

YM124240-01883

GASKET (KIT)

SN: 24240-UP

1шт.

14

YM26106-080122

BOLT

SN: 03250-UP

4шт.

15

YM22190-080002

SEAL,RING

SN: 60968-UP

4шт.

|15

0

WASHER,SEAL

SN: 03250-60967

4шт.

16

YM26106-080162

BOLT

SN: 03250-UP

1шт.

17

YM22190-080002

SEAL,RING

SN: 60968-UP

1шт.

|17

0

WASHER,SEAL

SN: 03250-60967

1шт.

18

YM121023-01550

COVER

SN: 03250-UP

1шт.

19

YM24341-000240

O-RING

SN: 13245-UP

1шт.

20

YM26106-060122

BOLT

SN: 03250-UP

2шт.

|21

YM129150-25101

IDLER GEAR ASS'Y

SN: 03250-UP

1шт.

21

0

GEAR

SN: 27663-UP

1шт.

22

YM129150-25061

BUSHING

SN: 03250-UP

1шт.

23

YM129100-25061

SHAFT

SN: 03250-UP

1шт.

24

YM26106-080452

BOLT

SN: 03250-UP

2шт.

25

YM977770-01212

LIQUID GASKET

SN: 03250-UP

1шт.

1

YM129100-01520

FLANGE

SN: 03250-UP

1шт.

2

YM24311-000160

O-RING

SN: 03250-UP

2шт.

3

YM129795-01950

PIPE

SN: 03250-UP

2шт.

4

YM26106-080162

BOLT

SN: 03250-UP

3шт.

5

YM129100-01590

FRONT COVER ASS'Y

SN: 27663-UP

1шт.

6

YM129795-01800

SEAL¤ FRONT

SN: 03250-UP

1шт.

7

YM26106-080452

BOLT

SN: 03250-UP

6шт.

8

YM26106-080552

BOLT

SN: 03250-UP

3шт.

9

YM26106-080852

BOLT

SN: 03250-UP

4шт.

10

YM124160-01751

CAP

SN: 03250-UP

1шт.

11

YM24311-000320

O-RING

SN: 03250-UP

1шт.

12

YM124240-01871

COVER

SN: 03250-UP

1шт.

13

YM124240-01883

GASKET (KIT)

SN: 24240-UP

1шт.

14

YM26106-080122

BOLT

SN: 03250-UP

4шт.

15

YM22190-080002

SEAL,RING

SN: 60968-UP

4шт.

|15

0

WASHER,SEAL

SN: 03250-60967

4шт.

16

YM26106-080162

BOLT

SN: 03250-UP

1шт.

17

YM22190-080002

SEAL,RING

SN: 60968-UP

1шт.

|17

0

WASHER,SEAL

SN: 03250-60967

1шт.

18

YM121023-01550

COVER

SN: 03250-UP

1шт.

19

YM24341-000240

O-RING

SN: 13245-UP

1шт.

20

YM26106-060122

BOLT

SN: 03250-UP

2шт.

|21

YM129150-25101

IDLER GEAR ASS'Y

SN: 03250-UP

1шт.

21

0

GEAR

SN: 27663-UP

1шт.

22

YM129150-25061

BUSHING

SN: 03250-UP

1шт.

23

YM129100-25061

SHAFT

SN: 03250-UP

1шт.

24

YM26106-080452

BOLT

SN: 03250-UP

2шт.

25

YM977770-01212

LIQUID GASKET

SN: 03250-UP

1шт.

1

YM129100-01520

FLANGE

2

YM24311-000160

O-RING

3

YM129795-01950

PIPE

4

YM26106-080162

BOLT

5

YM129100-01590

FRONT COVER ASS'Y

6

YM129795-01800

SEAL¤ FRONT

7

YM26106-080452

BOLT

8

YM26106-080552

BOLT

9

YM26106-080852

BOLT

10

YM124160-01751

CAP

11

YM24311-000320

O-RING

12

YM124240-01871

COVER

13

YM124240-01883

GASKET (KIT)

14

YM26106-080122

BOLT

15

YM22190-080002

SEAL,RING

|15

YM43400-500410

WASHER,SEAL

16

YM26106-080162

BOLT

17

YM22190-080002

SEAL,RING

|17

YM43400-500410

WASHER,SEAL

18

YM121023-01550

COVER

19

YM24341-000240

O-RING

20

YM26106-060122

BOLT

|21

YM129150-25101

IDLER GEAR ASS'Y

21

GEAR

22

YM129150-25061

BUSHING

23

YM129100-25061

SHAFT

24

YM26106-080452

BOLT

25

YM977770-01212

LIQUID GASKET

Выбрано товаров: 84