Запчасти Komatsu 3D88E-3B ТОПЛ. НАСОС (РЕГУЛЯТОР) (/) (ВНУТР. ЧАСТИ)(№8-) ДВИГАТЕЛЬ

Схема запчастей Komatsu 3D88E-3B - ТОПЛ. НАСОС (РЕГУЛЯТОР) (/) (ВНУТР. ЧАСТИ)(№8-) ДВИГАТЕЛЬ
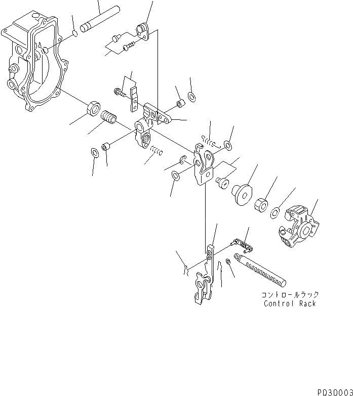
1
2
3
4
5
5
6
7
7
7
7
7
7
7
8
8
9
10
11
12
13
14
14
15
16
17
18
FIT
1:1
100%

Артикул

Название

Примечание

Количество

|1

YM729001-51360

INJECTION PUMP ASS'Y

SN: 00801-UP

1шт.

|$$2

THIS ASSEMBLY CONSISTS OF ALL PARTS SHOWN IN FIGS.A4010-B0A2 TO A4010-E0A2.

-1шт.

1

YM129155-51280

O-RING

SN: 00801-UP

1шт.

2

YM129155-61120

LINK¤ L=30.0,(MARK 0)

SN: 00801-UP

1шт.

|2

YM129155-61130

LINK¤ L=31.0,(MARK 1)

SN: 00801-UP

1шт.

|2

YM129155-61140

LINK¤ L=30.5,(MARK 05)

SN: 00801-UP

1шт.

3

YM129155-61201

WEIGHT ASS'Y,GOVERNOR

SN: 00801-UP

1шт.

4

YM129155-61341

SLEEVE¤ L=25.5

SN: 00801-UP

1шт.

|4

YM129155-61350

SLEEVE¤ L=24.9,(FOR ADJUST)

SN: 00801-UP

1шт.

|4

YM129155-61360

SLEEVE¤ L=25.2,(FOR ADJUST)

SN: 00801-UP

1шт.

5

YM129155-61480

SPACER

SN: 00801-UP

2шт.

6

YM129052-61390

SHAFT,LEVER

SN: 00801-UP

1шт.

7

YM129052-61500

LEVER ASS'Y,GOVERNOR

SN: 00801-UP

1шт.

8

YM174307-51700

SHIM ASS'Y

SN: 00801-UP

2шт.

9

YM129052-61540

SPRING

SN: 00801-UP

1шт.

10

YM129155-61540

SHIFTER

SN: 00801-UP

1шт.

11

YM22272-000040

RING

SN: 00801-UP

1шт.

12

YM22117-040000

WASHER

SN: 00801-UP

1шт.

13

YM22287-120000

WASHER,LOCK

SN: 00801-UP

1шт.

14

YM22372-040000

PIN,SNAP

SN: 00801-UP

2шт.

15

YM26776-120002

NUT,LOCK

SN: 00801-UP

1шт.

16

YM171353-61550

ANGLEICH ASS'Y

SN: 00801-UP

1шт.

17

YM129155-61590

NUT,LOCK

SN: 00801-UP

1шт.

18

YM129100-61650

SPRING,FUEL CONTROL

SN: 00801-UP

1шт.

Выбрано товаров: 24