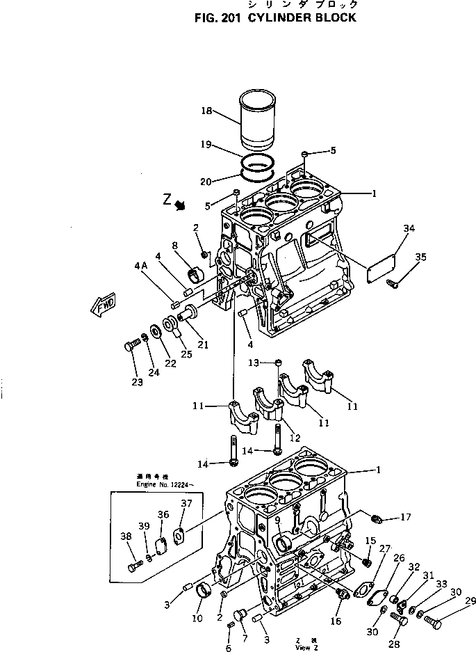
Запчасти Komatsu 3D94-2A БЛОК ЦИЛИНДРОВ БЛОК ЦИЛИНДРОВ

Схема запчастей Komatsu 3D94-2A - БЛОК ЦИЛИНДРОВ БЛОК ЦИЛИНДРОВ
FIT
1:1
100%

Артикул

Название

Примечание

Количество

|$0

6143-21-1010

CYLINDER BLOCK ASS'Y

SN: 10001-UP

1шт.

|$1

6143-21-1100

CYLINDER BLOCK A.

SN: 10001-UP

1шт.

1

0

BLOCK,CYLINDER

SN: 10001-UP

1шт.

2

6140-21-1140

PLUG

SN: 10001-UP

2шт.

3

04020-01228

PIN,DOWEL

SN: 10001-UP

2шт.

4

04020-01024

PIN,DOWEL

SN: 10001-UP

2шт.

4A

04025-00512

PIN,SPRING

SN: 10001-UP

1шт.

5

6140-21-1130

BUSHING

SN: 10001-UP

2шт.

6

04025-00412

PIN,SPRING

SN: 10001-UP

1шт.

7

6140-21-1811

INSERT

SN: 10001-UP

1шт.

8

6142-22-1410

BUSHING

SN: 10001-UP

1шт.

9

6142-22-1420

BUSHING

SN: 10001-UP

1шт.

10

6142-22-1430

BUSHING

SN: 10001-UP

1шт.

11

6142-29-1220

CAP,METAL, NO.1,3,4

SN: 10001-UP

3шт.

11

0

CAP,METAL, NO.1,3,4

SN: 10001-UP

3шт.

12

6142-29-1240

CAP,METAL, NO.2

SN: 10001-UP

1шт.

12

0

CAP,METAL, NO.2

SN: 10001-UP

1шт.

13

6141-21-1530

RING

SN: 10001-UP

2шт.

14

6142-21-1611

BOLT

SN: .-UP

8шт.

14

0

BOLT

SN: 10001-.

8шт.

15

07043-50108

PLUG

SN: 10001-UP

2шт.

16

08073-00505

SWITCH,OIL PRESSURE

SN: 10001-UP

1шт.

17

07042-00312

PLUG

SN: 10001-UP

1шт.

18

6142-22-2211

LINER,CYLINDER

SN: 10116-UP

3шт.

18

6144-21-2211

LINER,CYLINDER

SN: 10116-UP

3шт.

18

6142-22-2210

LINER,CYLINDER

SN: 10001-10115

3шт.

19

6142-21-2221

O-RING (K2)

SN: 10001-UP

3шт.

20

6142-21-2230

O-RING (K2)

SN: 10001-UP

3шт.

21

6144-21-2410

SHAFT

SN: 10001-UP

1шт.

22

6144-21-2420

WASHER

SN: 10001-UP

1шт.

23

01010-31270

BOLT

SN: 10001-UP

1шт.

24

01602-01236

WASHER,SPRING

SN: 10001-UP

1шт.

25

6144-21-2500

SHIM ASS'Y

SN: 10001-UP

1шт.

25

0

SHIM, 0.1MM

SN: 10001-UP

3шт.

25

0

SHIM, 0.4MM

SN: 10001-UP

2шт.

25

0

SHIM, 1.0MM

SN: 10001-UP

1шт.

26

6144-21-1650

PLATE

SN: 10001-UP

1шт.

27

6144-21-1810

GASKET (K2)

SN: 10001-UP

1шт.

28

01010-31025

BOLT

SN: 10001-UP

1шт.

29

01010-31040

BOLT

SN: 10001-UP

1шт.

30

01602-01030

WASHER,SPRING

SN: 10001-UP

2шт.

31

6141-21-5361

BRACKET

SN: 10001-UP

1шт.

32

6131-12-5920

SPACER

SN: 10001-UP

1шт.

33

01641-21016

WASHER

SN: 10001-UP

1шт.

34

09605-01271

PLATE, NAME,(LIMITED SUPPLY)

SN: 10001-UP

1шт.

34

09605-21271

PLATE, NAME,(GERMAN) (TBG SPEC.)

SN: 10841-UP

1шт.

35

04418-02550

SCREW

SN: 10001-UP

4шт.

36

6141-21-1650

PLATE

SN: 12224-UP

1шт.

37

6141-61-6831

GASKET

SN: .-UP

1шт.

37

0

GASKET

SN: 12224-.

1шт.

38

01010-30820

BOLT

SN: 12224-UP

2шт.

39

01602-00825

WASHER,SPRING

SN: 12224-UP

2шт.

Выбрано товаров: 52