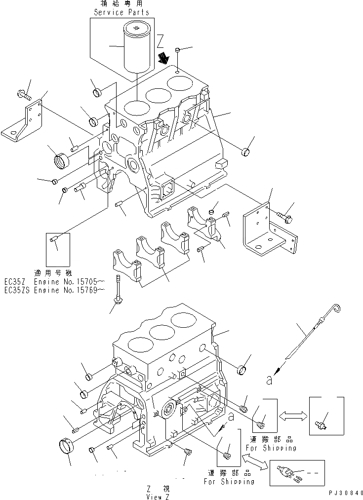
Запчасти Komatsu 3D95S-W-1A БЛОК ЦИЛИНДРОВ БЛОК ЦИЛИНДРОВ

Схема запчастей Komatsu 3D95S-W-1A - БЛОК ЦИЛИНДРОВ БЛОК ЦИЛИНДРОВ
1
1
2
3
4
5
6
7
7
7
8
9
10
11
11
11
12
12
13
14
15
15
16
16
17
17
18
19
19
19
20
21
22
23
24
25
26
26
27
FIT
1:1
100%

Артикул

Название

Примечание

Количество

|$0

6201-21-1101

CYLINDER BLOCK ASS'Y

SN: 12951-UP

1шт.

|$1

0

CYLINDER BLOCK ASS'Y

SN: 10001-12950

1шт.

1

0

BLOCK,CYLINDER

SN: 12951-UP

1шт.

1

0

BLOCK,CYLINDER

SN: 10001-12950

1шт.

2

6204-21-1410

BUSHING,CAMSHAFT

SN: 10001-UP

1шт.

3

6206-21-1420

BUSHING,CAMSHAFT

SN: 12951-UP

2шт.

4

0

CAP,MAIN METAL, NO.1,2,3

SN: 10001-UP

3шт.

5

0

CAP,MAIN METAL, NO.4

SN: 10001-UP

1шт.

6

6141-21-1530

RING,DOWEL

SN: 10001-UP

2шт.

7

04025-00408

PIN,SPRING

SN: 10001-UP

6шт.

8

6204-21-1610

BOLT,MAIN CAP

SN: 10001-UP

8шт.

9

6204-51-1711

BUSHING,OIL PUMP

SN: 15705-UP

1шт.

9

0

BUSHING,OIL PUMP

SN: 10001-15704

1шт.

10

6204-51-1620

SHAFT,OIL PUMP

SN: 10001-UP

1шт.

11

07046-41810

PLUG

SN: 12557-UP

4шт.

11

0

PLUG

SN: 10001-12556

4шт.

12

04020-00820

PIN,DOWEL

SN: 10001-UP

2шт.

13

6136-52-1620

PIN

SN: 15705-UP

1шт.

14

07046-42216

PLUG

SN: 10001-UP

1шт.

15

04020-01228

PIN,DOWEL

SN: 10001-UP

2шт.

16

07046-43016

PLUG

SN: 19384-UP

6шт.

16

07046-43016

PLUG

SN: 10001-19383

5шт.

17

07046-42516

PLUG

SN: 17372-UP

4шт.

17

07046-42516

PLUG

SN: 10001-17371

3шт.

18

07042-00312

PLUG

SN: 10001-UP

1шт.

19

07043-50108

PLUG

SN: 12951-UP

3шт.

19

07043-50108

PLUG

SN: 10001-12950

1шт.

20

6140-21-1130

BUSHING,DOWEL

SN: 10001-UP

2шт.

21

08073-00510

SWITCH

SN: 10001-UP

1шт.

22

600-815-1120

SWITCH,OIL PRESSURE

SN: 10001-UP

1шт.

23

6201-21-5310

GAUGE,OIL

SN: 10001-UP

1шт.

24

6201-21-3742

SUPPORT,L.H.

SN: 14181-UP

1шт.

24

0

SUPPORT,L.H.

SN: 11244-14180

1шт.

24

0

SUPPORT,L.H.

SN: 10001-11243

1шт.

25

6201-21-3731

SUPPORT,R.H.

SN: 11244-UP

1шт.

25

0

SUPPORT,R.H.

SN: 10001-11243

1шт.

26

01435-01025

BOLT

SN: 10001-UP

8шт.

27

6207-21-2110

LINER (MARK A),CYLINDER

SN: 10001-UP

-2шт.

27

6207-21-2120

LINER (MARK B),CYLINDER

SN: 10001-UP

-2шт.

Выбрано товаров: 39