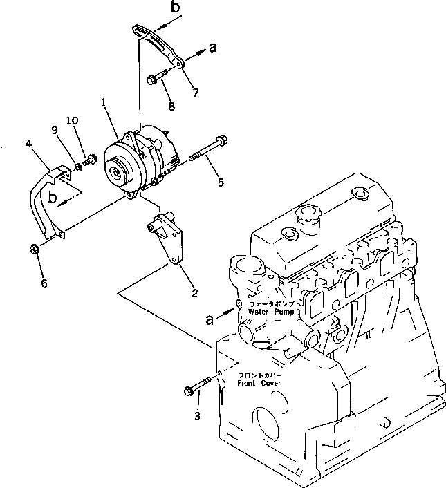
Запчасти Komatsu 3D95S-W-1C ГЕНЕРАТОР И КРЕПЛЕНИЕ ЭЛЕКТРИКА

Схема запчастей Komatsu 3D95S-W-1C - ГЕНЕРАТОР И КРЕПЛЕНИЕ ЭЛЕКТРИКА
FIT
1:1
100%

Артикул

Название

Примечание

Количество

G-1

0

ALTERNATOR GROUP

SN: 10467-UP

1шт.

|$$2

====================

-1шт.

1

600-821-2340

ALTERNATOR A. (35A),(35A) (SEE FIG.0641)

SN: 10467-UP

1шт.

2

6204-81-6550

BRACKET

SN: 10467-UP

1шт.

3

01435-20860

BOLT

SN: 10467-UP

2шт.

4

6143-81-6911

COVER

SN: 14176-UP

1шт.

|4

0

COVER

SN: 10467-14175

1шт.

5

6202-81-6810

BOLT

SN: 10467-UP

1шт.

6

01584-00806

NUT

SN: 10467-UP

1шт.

7

6206-81-6610

PLATE,ADJUST

SN: 10467-UP

1шт.

8

01435-20845

BOLT

SN: 10467-UP

1шт.

9

6201-81-6560

SPACER

SN: 14176-UP

1шт.

10

01435-00830

BOLT

SN: 14176-UP

1шт.

|10

01435-20825

BOLT

SN: 10467-14175

1шт.

|$$15

====================

-1шт.

Выбрано товаров: 15