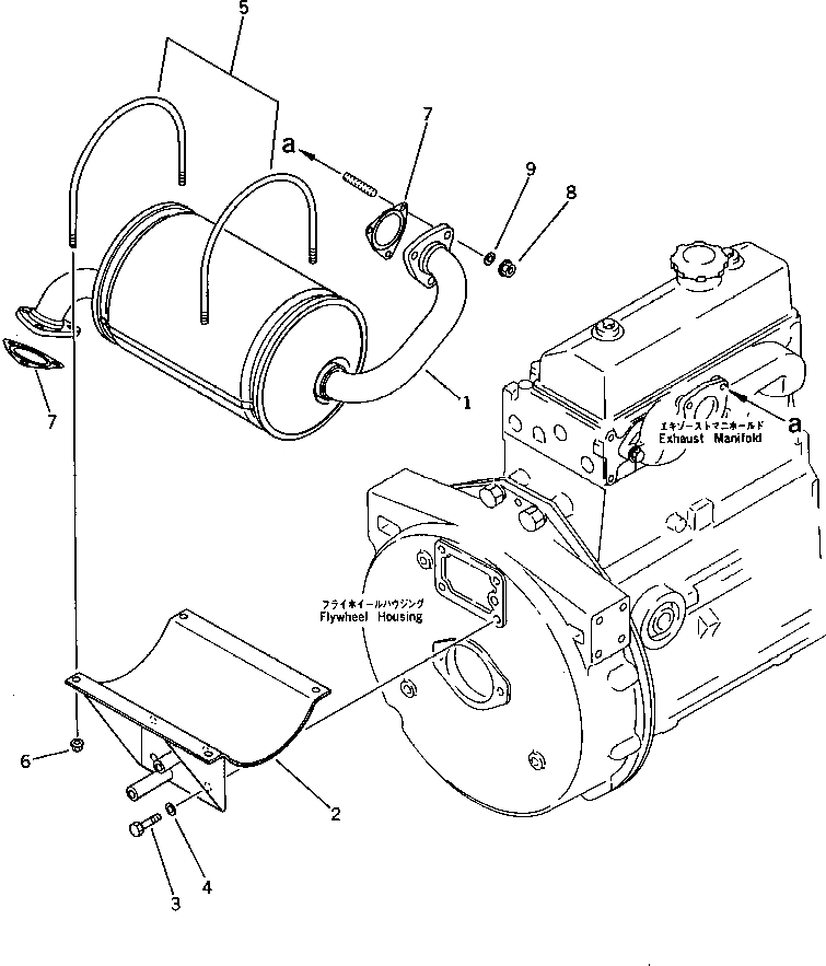
Запчасти Komatsu 3D95S-W-1D ГЛУШИТЕЛЬ И КРЕПЛЕНИЕ ГОЛОВКА ЦИЛИНДРОВ

Схема запчастей Komatsu 3D95S-W-1D - ГЛУШИТЕЛЬ И КРЕПЛЕНИЕ ГОЛОВКА ЦИЛИНДРОВ
FIT
1:1
100%

Артикул

Название

Примечание

Количество

1

6201-11-5210

MUFFLER

SN: 12209-UP

1шт.

2

6201-11-5610

BRACKET

SN: 12209-UP

1шт.

3

01010-31025

BOLT

SN: 12209-UP

4шт.

4

01641-01016

WASHER

SN: 12209-UP

4шт.

5

6201-11-5960

U-BOLT

SN: 12209-UP

2шт.

6

01584-00806

NUT

SN: 12209-UP

4шт.

7

6201-11-5580

GASKET (K1)

SN: 12209-UP

2шт.

8

6201-11-5850

NUT

SN: 12209-UP

3шт.

9

01643-30823

WASHER

SN: 12209-UP

3шт.

Выбрано товаров: 9