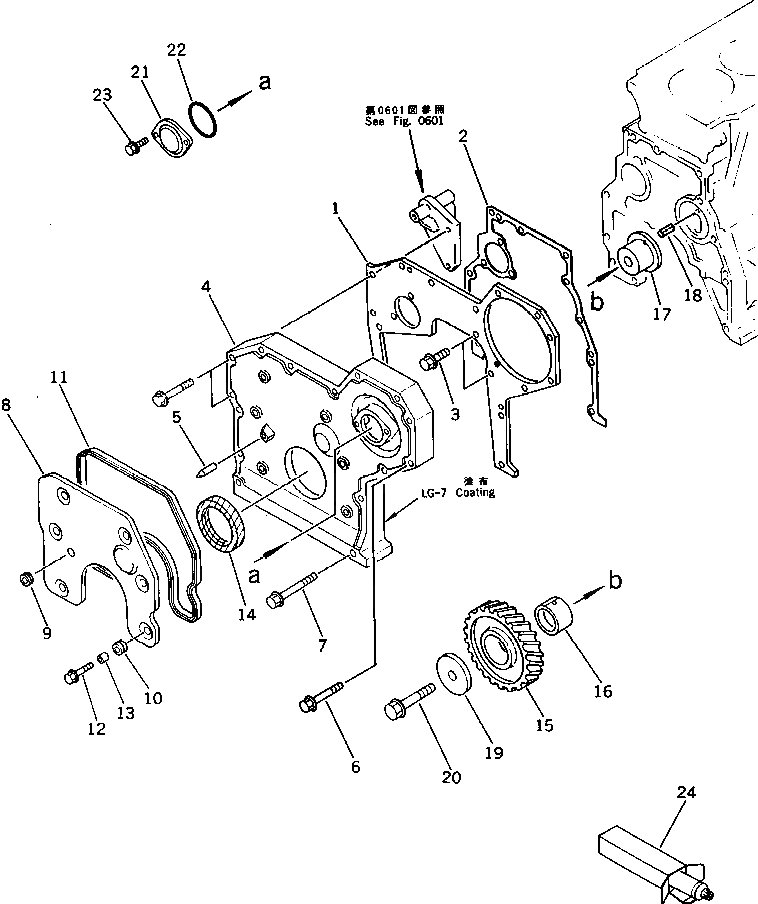
Запчасти Komatsu 3D95S-W-1E ПЕРЕДН. КРЫШКАAND ПРИВОД БЛОК ЦИЛИНДРОВ

Схема запчастей Komatsu 3D95S-W-1E - ПЕРЕДН. КРЫШКАAND ПРИВОД БЛОК ЦИЛИНДРОВ
FIT
1:1
100%

Артикул

Название

Примечание

Количество

1

6206-21-3210

PLATE,FRONT

SN: 13618-UP

1шт.

2

6206-21-3830

GASKET (K2)

SN: 13618-UP

1шт.

3

01435-20816

BOLT

SN: 13618-UP

2шт.

4

6204-21-3112

COVER,FRONT

SN: 17629-UP

1шт.

|4

0

COVER,FRONT

SN: 13618-17628

1шт.

5

6204-21-3850

POINTER

SN: 13618-UP

1шт.

6

01435-20855

BOLT

SN: 13618-UP

11шт.

7

01435-20870

BOLT

SN: 13618-UP

2шт.

8

6204-21-3311

COVER

SN: 13618-UP

1шт.

9

6204-21-3451

GROMMET (K2)

SN: 13618-UP

1шт.

10

6204-21-3460

GROMMET (K2)

SN: 13618-UP

6шт.

11

6204-21-3410

PACKING (K2)

SN: 13618-UP

1шт.

12

01435-20620

BOLT

SN: 13618-UP

6шт.

13

6204-21-3480

SPACER

SN: 13618-UP

6шт.

14

6204-21-3510

SEAL¤ FRONT (K2)

SN: 13618-UP

1шт.

|15

6206-31-6301

IDLER GEAR ASS'Y

SN: 14144-UP

1шт.

|15

0

IDLER GEAR ASS'Y

SN: 13618-14143

1шт.

|$$18

(6206-31-6301{6204-31-6331)}

-1шт.

15

0

GEAR,IDLER

SN: 13618-UP

1шт.

16

6204-31-6341

BUSHING

SN: 14144-UP

1шт.

|16

6204-31-6340

BUSHING

SN: 13618-14143

1шт.

17

6204-31-6331

SHAFT

SN: 13867-UP

1шт.

|17

6204-31-6330

SHAFT

SN: 13618-13866

1шт.

18

04025-00512

PIN,SPRING

SN: 13618-UP

1шт.

19

6204-31-6350

WASHER

SN: 13618-UP

1шт.

20

01435-01270

BOLT

SN: 13618-UP

1шт.

21

6144-81-5151

COVER

SN: 13618-UP

1шт.

22

07000-03050

O-RING (K2)

SN: 13618-UP

1шт.

23

01435-20616

BOLT

SN: 13618-UP

2шт.

24

09920-00150

LIQUID GASKET,LG-7¤ 150G

SN: 13618-UP

-2шт.

Выбрано товаров: 30