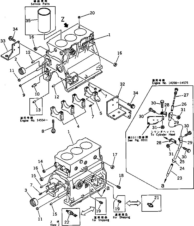
Запчасти Komatsu 3D95S-W-1F БЛОК ЦИЛИНДРОВ(№8-7) БЛОК ЦИЛИНДРОВ

Схема запчастей Komatsu 3D95S-W-1F - БЛОК ЦИЛИНДРОВ(№8-7) БЛОК ЦИЛИНДРОВ
FIT
1:1
100%

Артикул

Название

Примечание

Количество

|$0

6201-21-1101

CYLINDER BLOCK ASS'Y

SN: 14208-@

1шт.

1

0

BLOCK,CYLINDER

SN: 14208-@

1шт.

2

6204-21-1410

BUSHING,CAMSHAFT

SN: 14208-@

1шт.

3

6206-21-1420

BUSHING,CAMSHAFT

SN: 14208-@

2шт.

4

0

CAP,MAIN METAL, NO.1,2,3

SN: 14208-@

3шт.

5

0

CAP,MAIN METAL, NO.4

SN: 14208-@

1шт.

6

6141-21-1530

RING,DOWEL

SN: 14208-@

2шт.

7

04025-00408

PIN,SPRING

SN: 14208-@

6шт.

8

6204-21-1610

BOLT,MAIN CAP

SN: 14208-@

8шт.

9

6204-51-1711

BUSHING,OIL PUMP

SN: 14554-@

1шт.

9

6204-51-1710

BUSHING,OIL PUMP

SN: 14208-14553

1шт.

10

6204-51-1620

SHAFT,OIL PUMP

SN: 14208-@

1шт.

11

07046-41810

PLUG

SN: 14208-@

4шт.

12

04020-00820

PIN,DOWEL

SN: 14208-@

2шт.

13

6136-52-1620

PIN

SN: 14554-@

1шт.

14

07046-42216

PLUG

SN: 14208-@

1шт.

15

04020-01228

PIN,DOWEL

SN: 14208-@

2шт.

16

07046-43016

PLUG

SN: 14208-@

5шт.

17

07046-42516

PLUG

SN: 14208-@

3шт.

18

07042-00312

PLUG

SN: 14208-@

1шт.

19

07043-50108

PLUG

SN: 14208-@

3шт.

20

6140-21-1130

BUSHING,DOWEL

SN: 14208-@

2шт.

21

08073-00510

SWITCH

SN: 14208-@

1шт.

22

600-815-1120

SWITCH,OIL PRESSURE

SN: 14208-@

1шт.

23

6201-21-5410

GAUGE,OIL

SN: 14208-@

1шт.

24

6144-61-6510

CLIP

SN: 14208-14575

1шт.

25

6201-21-5430

TUBE

SN: 14208-@

1шт.

26

6201-21-5420

GUIDE

SN: 14208-@

1шт.

27

6201-21-5330

GAUGE

SN: 14208-@

1шт.

28

6136-71-5730

BRACKET

SN: 14208-14575

2шт.

29

M800977914104

CLIP

SN: 14208-14575

2шт.

30

M800906008200

BOLT

SN: 14208-14575

4шт.

31

M018200800006

NUT

SN: 14208-14575

3шт.

32

6201-21-3742

SUPPORT,L.H.

SN: 14451-@

1шт.

32

0

SUPPORT,L.H.

SN: 14208-14450

1шт.

33

6201-21-3731

SUPPORT,R.H.

SN: 14208-@

1шт.

34

01435-01025

BOLT

SN: 14208-@

8шт.

35

6207-21-2110

LINER (MARK A),CYLINDER

SN: 14208-@

-2шт.

35

6207-21-2120

LINER (MARK B),CYLINDER

SN: 14208-@

-2шт.

Выбрано товаров: 39