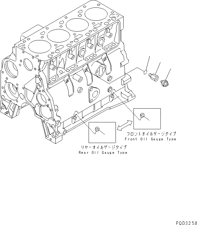
Запчасти Komatsu 4D102E-1B МАСЛ. PRESSURE ПЕРЕКЛЮЧАТЕЛЬ(№8-) ДВИГАТЕЛЬ

Схема запчастей Komatsu 4D102E-1B - МАСЛ. PRESSURE ПЕРЕКЛЮЧАТЕЛЬ(№8-) ДВИГАТЕЛЬ
1
1
2
3
4
FIT
1:1
100%

Артикул

Название

Примечание

Количество

1

6732-21-5530

PLUG

SN: 26200282-UP

1шт.

2

08073-10505

SWITCH,OIL PRESSURE

SN: 26224158-UP

1шт.

3

6732-81-3170

ADAPTER

SN: 26224158-UP

1шт.

4

6215-81-9710

O-RING

SN: 26224158-UP

1шт.

Выбрано товаров: 4