Запчасти Komatsu 4D102E-1C-1C ГЛУШИТЕЛЬ ( ВЫПУСКН. ТИП)(№77-) ДВИГАТЕЛЬ

Схема запчастей Komatsu 4D102E-1C-1C - ГЛУШИТЕЛЬ ( ВЫПУСКН. ТИП)(№77-) ДВИГАТЕЛЬ
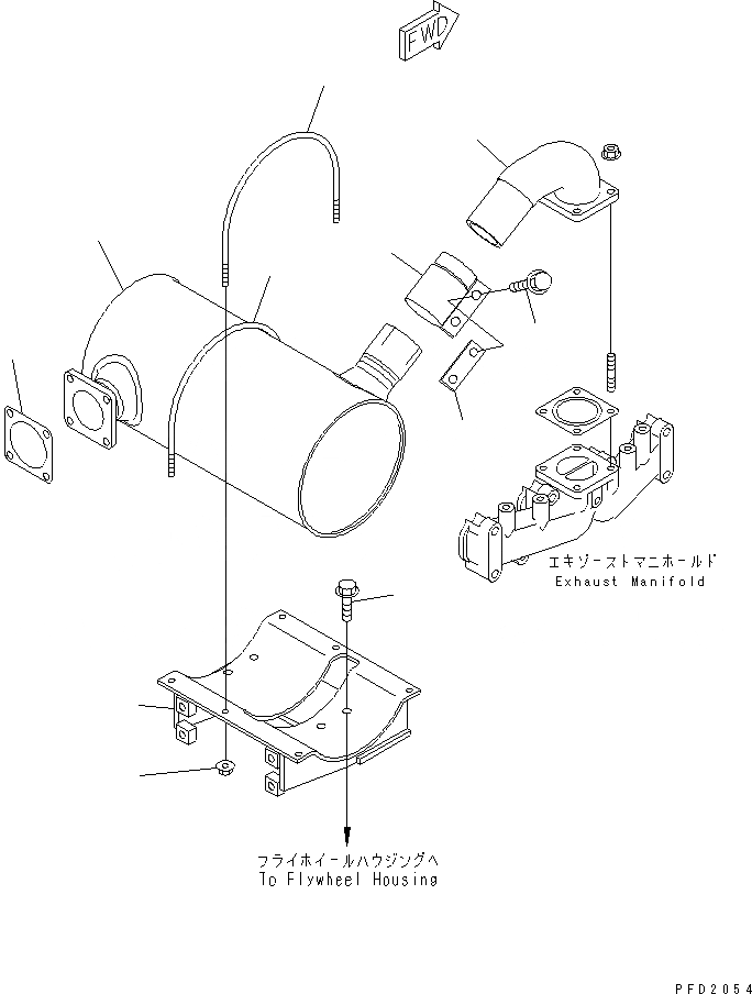
1
2
2
3
4
5
6
7
8
9
10
FIT
1:1
100%

Артикул

Название

Примечание

Количество

1

6731-11-5530

MUFFLER

SN: 26217735-UP

1шт.

2

6206-11-5980

U-BOLT

SN: 26217735-UP

2шт.

3

01584-00806

NUT

SN: 26217735-UP

4шт.

4

6206-11-5910

CLAMP

SN: 26217735-UP

1шт.

5

01435-01235

BOLT

SN: 26217735-UP

2шт.

6

6206-11-5850

PLATE

SN: 26217735-UP

1шт.

7

6207-11-5562

BRACKET

SN: 26217735-UP

1шт.

8

01435-01025

BOLT

SN: 26217735-UP

4шт.

9

6731-11-5610

CONNECTOR

SN: 26217735-UP

1шт.

10

6131-15-5350

GASKET

SN: 26217735-UP

1шт.

Выбрано товаров: 10