Запчасти Komatsu 4D105-2H ВОДЯНАЯ ПОМПА И ВЕНТИЛЯТОР ОХЛАЖД-Е И ЭЛЕКТРИКАS

Схема запчастей Komatsu 4D105-2H - ВОДЯНАЯ ПОМПА И ВЕНТИЛЯТОР ОХЛАЖД-Е И ЭЛЕКТРИКАS
FIT
1:1
100%

Артикул

Название

Примечание

Количество

|$0

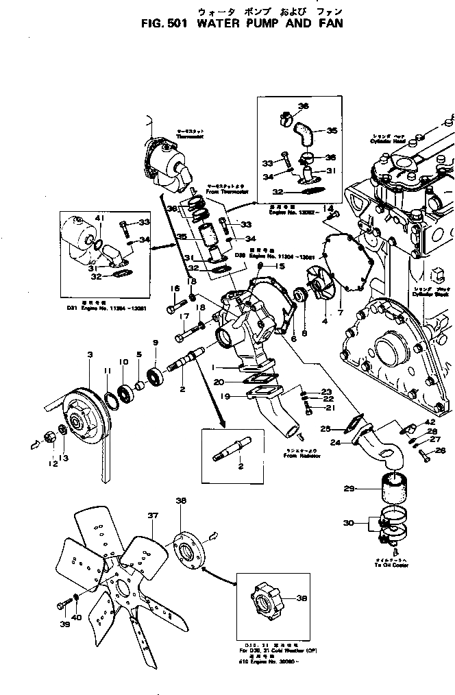
6130-61-1102

WATER PUMP ASS'Y

SN: .-UP

1шт.

|$1

0

WATER PUMP ASS'Y

SN: 30066-.

1шт.

1

6130-61-1110

BODY

SN: 30066-UP

1шт.

2

6130-61-1312

SHAFT

SN: .-UP

1шт.

2

0

SHAFT

SN: 30066-.

1шт.

3

6130-61-3211

PULLEY

SN: 30066-UP

1шт.

4

6130-61-1330

IMPELLER

SN: 30066-UP

1шт.

5

6130-61-1371

SPACER

SN: 30066-UP

1шт.

6

6130-61-1720

GASKET (K2)

SN: 30066-UP

1шт.

7

6130-61-1180

COVER

SN: 30066-UP

1шт.

8

6130-61-1510

SEAL, WATER (K2)

SN: 30066-UP

1шт.

9

6600-01-1231

BEARING

SN: 30066-UP

1шт.

10

06001-06303

BEARING

SN: 30066-UP

1шт.

11

04065-04718

RING,SNAP

SN: 30066-UP

1шт.

12

01599-01415

NUT

SN: 30066-UP

1шт.

13

01640-21426

WASHER

SN: 30066-UP

1шт.

14

01224-30816

SCREW

SN: .-UP

5шт.

14

0

SCREW

SN: 30066-.

5шт.

15

07043-00108

PLUG

SN: 30066-UP

2шт.

16

01010-31050

BOLT

SN: 30066-UP

2шт.

17

01010-31065

BOLT

SN: 30066-UP

2шт.

18

01602-01030

WASHER,SPRING

SN: 30066-UP

4шт.

19

6130-61-6240

CONNECTOR,WATER INLET

SN: 30066-UP

1шт.

20

6130-61-6820

GASKET (K2)

SN: 30066-UP

1шт.

21

01010-30825

BOLT

SN: 30066-UP

4шт.

22

01602-00825

WASHER,SPRING

SN: 30066-UP

4шт.

23

01640-20816

WASHER

SN: 30066-UP

4шт.

24

6130-61-6230

CONNECTOR,WATER OUTLET

SN: 30066-UP

1шт.

25

6130-61-6830

GASKET (K2)

SN: 30066-UP

1шт.

26

01010-30825

BOLT

SN: 30066-UP

4шт.

27

01602-00825

WASHER,SPRING

SN: 30066-UP

4шт.

28

01640-00816

WASHER

SN: 30066-UP

4шт.

29

6130-61-6330

HOSE

SN: 30066-UP

1шт.

30

07281-00709

CLAMP

SN: 30066-UP

2шт.

31

6130-61-6531

CONNECTOR

SN: 30066-UP

1шт.

32

6130-61-6810

GASKET (K2)

SN: 30066-UP

1шт.

33

01010-30825

BOLT

SN: 30066-UP

2шт.

34

01602-00825

WASHER,SPRING

SN: 30066-UP

2шт.

35

6130-61-6611

HOSE

SN: 30066-UP

1шт.

36

07281-00359

CLAMP

SN: 30066-UP

2шт.

37

0

FAN,COOLING (FOR EG45)

SN: 30066-UP

1шт.

|$$42

(6130-62-3350,01010-50860(6),

-1шт.

|$$43

01602-20825(6))

-1шт.

37

0

FAN,COOLING (FOR EG45S)

SN: 11007-30065

1шт.

|$$45

(6137-61-3310,01010-50885(6),

-1шт.

|$$46

01602-20825(6))

-1шт.

38

6130-61-3320

SPACER,(FOR EG45)

SN: 30066-UP

1шт.

38

6130-61-3330

SPACER,(FOR EG45S)

SN: 11007-30065

1шт.

39

01010-30840

BOLT,(FOR EG45)

SN: 30066-UP

6шт.

39

01010-30855

BOLT,(FOR EG45S)

SN: 11007-30065

6шт.

40

01602-00825

WASHER,SPRING

SN: 30066-UP

6шт.

Выбрано товаров: 51