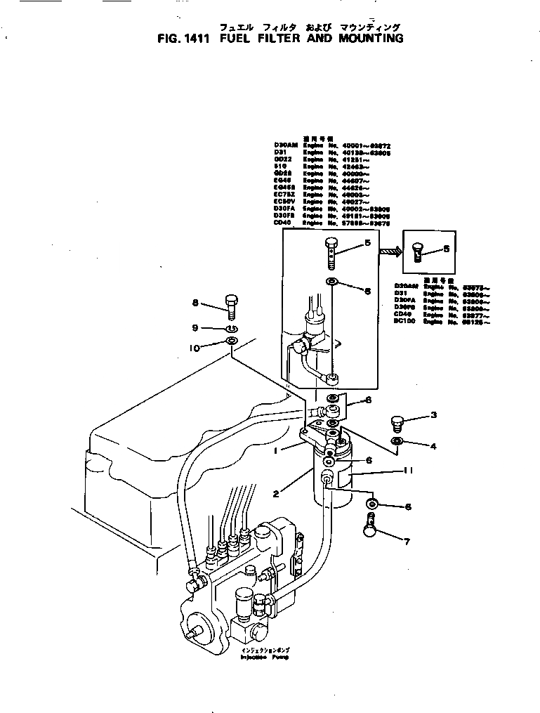
Запчасти Komatsu 4D105-3J ТОПЛИВН. ФИЛЬТР. И КРЕПЛЕНИЕ ТОПЛИВН. СИСТЕМА

Схема запчастей Komatsu 4D105-3J - ТОПЛИВН. ФИЛЬТР. И КРЕПЛЕНИЕ ТОПЛИВН. СИСТЕМА
FIT
1:1
100%

Артикул

Название

Примечание

Количество

|$0

6130-72-6100

FUEL FILTER ASS'Y

SN: 44607-UP

1шт.

1

600-311-8020

COVER

SN: 44607-UP

1шт.

2

600-311-8220

CARTRIDGE

SN: 44607-UP

1шт.

3

600-311-6720

PLUG

SN: 44607-UP

1шт.

4

07005-00812

GASKET (K2)

SN: 44607-UP

1шт.

5

6127-71-5710

BOLT,JOINT

SN: 44607-UP

1шт.

6

07005-01412

GASKET (K1)

SN: 44607-UP

5шт.

7

07206-11014

BOLT,JOINT

SN: 44607-UP

1шт.

8

01010-31035

BOLT

SN: 44607-UP

2шт.

9

01602-01030

WASHER,SPRING

SN: 44607-UP

2шт.

10

01640-21016

WASHER

SN: 44607-UP

2шт.

11

600-311-8730

PLATE, CAUTION,(ENGLISH-FRENCH)

SN: 44607-UP

1шт.

11

600-311-8740

PLATE, CAUTION,(ENGLISH-GERMAN)

SN: 44607-UP

1шт.

11

600-311-8750

PLATE, CAUTION,(ENGLISH)

SN: 44607-UP

1шт.

11

600-311-8760

PLATE, CAUTION,(ENGLISH-SPANISH)

SN: 44607-UP

1шт.

11

600-311-8770

PLATE, CAUTION,(ENGLISH-PORTUGUESE)

SN: 44607-UP

1шт.

Выбрано товаров: 16