Запчасти Komatsu 4D105-3S МАСЛ. ФИЛЬТР СИСТЕМА СМАЗКИ МАСЛ. СИСТЕМА

Схема запчастей Komatsu 4D105-3S - МАСЛ. ФИЛЬТР СИСТЕМА СМАЗКИ МАСЛ. СИСТЕМА
FIT
1:1
100%

Артикул

Название

Примечание

Количество

|$0

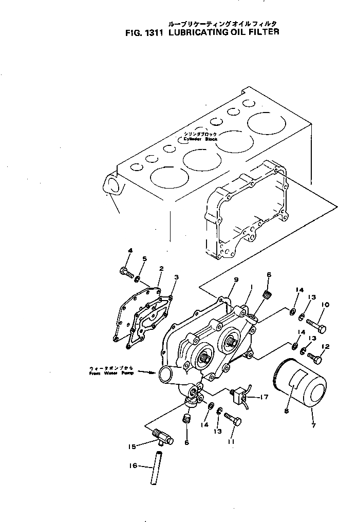
6130-52-5102

OIL FILTER ASS'Y

SN: 66126-UP

1шт.

1

6130-52-5210

COVER

SN: 66126-UP

1шт.

2

6130-52-5270

COVER

SN: 66126-UP

1шт.

3

6130-52-5181

GASKET (K2)

SN: 66126-UP

1шт.

4

01010-30816

BOLT

SN: 66126-UP

11шт.

5

01602-00825

WASHER,SPRING

SN: 66126-UP

11шт.

6

07043-00415

PLUG

SN: 66126-UP

2шт.

7

600-211-6230

CARTRIDGE

SN: 66126-UP

2шт.

8

600-211-5330

PLATE, CAUTION,(CHINESE)

SN: 66126-UP

2шт.

8

600-211-5380

PLATE, CAUTION,(ENGLISH-GERMAN)

SN: 66126-UP

2шт.

8

600-211-5391

PLATE, CAUTION,(ENGLISH-FRENCH)

SN: 66126-UP

2шт.

8

600-211-5270

PLATE, CAUTION,(ENGLISH-SPANISH)

SN: 66126-UP

2шт.

8

600-211-5280

PLATE, CAUTION,(ENGLISH-PORTUGUESE)

SN: 66126-UP

2шт.

9

6130-52-5810

GASKET (K2)

SN: 66126-UP

1шт.

10

01010-31050

BOLT

SN: 66126-UP

8шт.

11

01010-31045

BOLT

SN: 66126-UP

1шт.

12

01010-31035

BOLT

SN: 66126-UP

1шт.

13

01602-01030

WASHER,SPRING

SN: 66126-UP

10шт.

14

01640-21016

WASHER

SN: 66126-UP

10шт.

15

6140-61-6512

VALVE,DRAIN

SN: 66126-UP

1шт.

17

600-815-1940

SWITCH,PRESSURE

SN: .-UP

1шт.

17

0

SWITCH,PRESSURE

SN: 66126-.

1шт.

Выбрано товаров: 22